lemon-mirror:
Home >> Hyundai >> 2010 >> Tucson FWD L4-2.4L >> Repair and Diagnosis >> Body and Frame >> Locks >> Keyless Entry >> Keyless Starting System >> Keyless Start Control Module >> Diagrams >> Electrical Diagrams >> Button Engine Start System

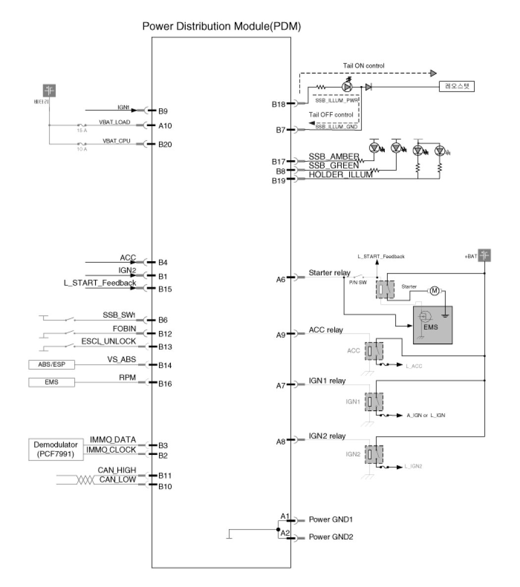
Button Engine Start System





System circuit diagram