lemon-mirror:
Home >> Hyundai >> 2010 >> Tucson AWD L4-2.4L >> Repair and Diagnosis >> Powertrain Management >> Computers and Control Systems >> Description and Operation >> Body Control Module >> 2 of 2

2 of 2









T1, T3 : 0.5 ± 0.1sec, T2 : 1 ± 0.1sec,
T4 : 0.5sec Max
** KEY IN ON : Key In ON or IGN1 ON or IGN2 ON
KEY IN OFF : Key In OFF and IGN1 OFF and IGN2 OFF
6. Crash Door Unlock
(1) Always perform CENTRAL UNLOCK *9) output whenever Crash Input signal is inputted while IGN1 is ON.
(2) Keep CENTRAL UNLOCK output for the time left though IGN1 turns OFF from ON while outputting CENTRAL UNLOCK.
(3) Do not output CENTRAL UNLOCK if IGN1 switch turns ON from OFF after Crash Input signal is already inputted.
(4) Output CENTRAL UNLOCK during T3 if Driver Door Unlock switch or Passenger Door Unlock switch or Rear Right Door Unlock switch or Rear Left Door Unlock switch turns to LOCK from UNLOCK after outputting CENTRAL UNLOCK.
(5) Do not perform AUTO DOOR LOCK function at the condition of CRASH UNLOCK.
(6) CRASH DOOR UNLOCK function has priority to LOCK/UNLOCK control by other functions.
(7) Ignore the request for LOCK/UNLOCK by other functions while or after outputting CRASH DOOR UNLOCK. But, control LOCK/UNLOCK by other functions if IGN1 switch becomes OFF.




T1 : 5 sec
* IGN KEY_ON : ON = KEY IN or FOB IN or ACC ON or IGN1 ON or IGN2 ON
OFF = KEY OUT or FOB OUT or ACC OFF or IGN1 OFF or IGN2 OFF
7. Auto Door Lock (User Option)
(1) AUTO DOOR LOCK is classified into non-activation/ 15km activation/ shift lever change by using SCAN TOOL.
(2) On condition of IGN1 switch ON, turn Door Lock Relay output ON within T1 when keeping more than setting speed in (1). But, do not output LOCK if all DOORS are LOCKED or FAIL at first.
(3) Perform outputting LOCK up to 3 times (cycle for 1s) if either of DOORS is UNLOCKED after outputting LOCK in (2). But, ignore the DOOR that has changed to LOCK condition from UNLOCK during the output 3 times.
(4) Regard the respective DOOR FAILED if it is UNLOCKED after outputting 3 times.
(5) Output LOCK once only if the DOOR is UNLOCKED after the failed DOOR changes(UNLOCK->LOCK).
(6) Output LOCK once only if DOOR which was LOCKED after outputting LOCK in (2) becomes to be UNLOCKED.
But, output LOCK once for the respective DOOR although it keeps UNLOCK after LOCK output.
(7) Clear the FAILED DOOR when IGN1 switch is OFF.
(8) Do not perform AUTO DOOR LOCK function on condition of CRASH UNLOCK.




T1 : Max 1.5sec, T2 : 0.5 ± 0.1sec
*1 ON (UNLOCK) : Driver DR Unlock switch|Passenger DR Unlock switch|Rear Right DR Unlock switch|Rear Left DR Unlock switch UNLOCK
OFF (LOCK) : Driver DR Unlock switch|Passenger DR Unlock switch|Rear Right DR Unlock switch|Rear Left DR Unlock switch LOCK
8. Auto Door Unlock (User Option)
(1) AUTO DOOR UNLOCK is classified into non-activation / Key Off / Driver safety knob state / shift lever change by using SCAN TOOL.
(2) If it is set up to be activated, turn DR Unlock Relay ON when turning KEY IN OFF after KEY IN is ON. (But, if all conditions for KNOB are UNLOCK, it will not output.)
(3) AUTO DOOR UNLOCK should operate after outputting AUTO DOOR LOCK (UNLOCK OUTPUT will not occur though the key is removed later if LOCK OUTPUT did not occur because all KNOBS are already LOCKED even though it reached to the operating speed of AUTO DOOR LOCK.)




T1 : 0.5 ± 0.1sec
*1 ON (UNLOCK) : Driver DR Unlock switch|Passenger DR Unlock switch|Rear Right DR Unlock switch|Rear Left DR Unlock switch UNLOCK
OFF (LOCK) : Driver DR Unlock switch|Passenger DR Unlock switch|Rear Right DR Unlock switch|Rear Left DR Unlock switch LOCK
*2 KEY IN ON : Key In ON or IGN1 ON or IGN2 ON
KEY IN OFF : Key In OFF and IGN1 OFF and IGN2 OFF

Tailgate Release Control
1. Data flow




2. Tailgate Release Control
(1) Turn Trunk Release Relay ON during T1 when TTRUNK or SMK(RKE TRUNK, TRUNK REOPEN) is ON.
(2) If ALL DOOR UNLOCK and TRUNK LID is OFF -> ON, Trunk Release Relay is ON during T1.(SMK option)




T1 : 0.5 ± 0.1sec

Key Interlock Control
1. Data flow




2. Key Interlock Control
(1) Key solenoid to the output of the ON KEY to make the subject does not fall. (if IGN1=ON or ACC=ON subject to the key Interlock switch input is OFF)
(2) In addition to the above conditions, the KEY OFF key solenoid output to fall out, to make conditions.

Exterior Lamp Control
1. Tail lamp function




(1) General Function Condition
A. In BATTERY ON and Tail Lamp is off state, if user turns on the Tail lamp switch (TailSW=ON), Tail Lamps are turned on.
(2) Tail Auto Cut Function Condition
A. The "Tail Auto Cut" strategy ensures that Tail lamps are turned off even if a driver forgets to turn them off.
B. When the Tail lamp is turned on by Tail lamp switch, after key insertion , and if a user removes key and opens the driver side door, the Tail lamps are automatically turned off.
C. While "Tail Auto Cut" function is active, if a user turns off the Tail lamp switch or inserts key, "Tail Auto Cut" function will be deactivated and Tail lamps can be turned on.
D. "Tail Auto Cut" state is memorized in ECU, so even if battery reset, this state is not erased.
E. During the activation of Escort function, no Tail Auto Cut mode is possible and it is only after escort function.
(3) CAN signal Tail Activity Condition
A. When tail lamp output condition is met, Tail Lamp activity CAN data is also turned on.
B. When tail lamp output condition is not met, Tail Lamp activity CAN data is also turned off.
(4) Internal signal Tail Activity Condition
A. When tail lamp output is on, internal signal Tail Lamp activity is also turned on.
B. When tail lamp output is off, internal signal Tail Lamp activity is also turned off.




2. Head lamp function




(1) Head Lamp Low Control
A. In IGN terminal State(IGN=ON), if turn on the Head lamp low switch=ON, Head lamp low outputs are turned on.
B. When Tail lamp Off and headlamp Off conditions are satisfied at the same time, Head lamp low and Tail lamp turned off simultaneous immediately.
(2) Head Lamp High Control
A. In IGN terminal state(IGN=ON) and Head lamp low switch On, if turn on the Head lamp high switch=ON, Head lamp high outputs are turned on.
(3) Passing Control
A. In IGN terminal State(IGN=ON), If Head lamp passing switch Input is detected then Head lamp high output are turned on and Head lamp low output=On at the same time.
(4) Canada DRL
A. If alternator level is high(ALT L=On), BCM activates Canada DRL functionality and turns on the Head lamp high (CANADA DRL=On).
B. Deactivation if:
- Head lamp low On request by Head lamp switch or auto light head lamp Low control or
- Head high On request by passing switch or
- Parking brake switch On




3. Escort function
(1) After user generates the call of head lamp low light(HeadLampLowSWOn=ON), if switch off ignition (IGN=Off and START=Off), and then keep Head lamp low output On (HeadLampLowON=ON) state during 20min.
(2) And after open and close driver side door(DRVDRSW=ON->Off), user will have consequently lighting of head lamp low(HeadLampLowON=ON) during only 30sec.
(3) During active "Escort Function", if receive Lock request 2 times (2LOCK=2) or cancel the lighting request of head lamp low (HeadLampLowSW=Off & AutoLightSW=Off), this function is released.
(4) While escort function is activated, Tail lamp is keeping the turn on state and does not go to Autocut and after finish escort state and user removes key, it can go Autocut mode.
(5) While the "Escort Function" is activated by 'Head Lamp Low Switch', if change from 'Head Lamp Low Switch' to 'Lamp Auto Switch', "Escort Function" is deactivated, because Lamp Auto mode is 'Lamp Off' condition.
(6) While the "Escort Function" is activated by 'Lamp Auto Switch', if change from 'Lamp Auto Switch' to 'Head Lamp Low Switch', "Escort Function" is keeping the activation state, because of 'Head Lamp On' condition.
(7) After IGN terminal off 20 minute timers is started, but as soon as door is opened and closed then 30sec timer is engaged.




4. Auto light control




5. AV Tail output control
(1) In ACC, IGN, START terminal states, monitoring of the auto light sensor supply's range (AutoLightPwr) is performed and a failure is raises up (Auto Light failure) when the supply's voltage is out of range (outside of range [4V:6V]).
If Auto Light failure occurs and as long as this error is present, the tail lamp and head lamp low must be turned on regardless of the sunlight level provided by the sensor.
When physical Auto light sensor failure occurs the Lamps are turned on, because a zero voltage level is provided by the sensor when internal failure is present.
This is designed to prevent any head lamp cut off when the failure occurs during the night.
AV Tail Output Control is started In ACC, IGN, START regardless of MFSW Auto Light switch.
CAN signal AV_Tail is set/reset at the same time as AVTail.
6. Front fog lamp control




(1) In case of (IGN2=ON) & (HeadLampLow=ON) & (HeadLampHigh=Off), if Front fog lamp switch input is detected (FrontFogSW=On), Front fog lamp output (FrontFogON=On) is turned ON.
(2) If fails to activate front fog lamp output, indicator (FrontFogIND) is also turn off.





Hazard & Turn Signal Lamp Control
1. Hazard lamp & ESS control




(1) To provide an audible feedback to the driver when flasher is active, a Flasher Sound Relay is controlled.
(2) While Flasher Lamp is operated, at the time of Output On/Off transition, the Flasher Sound Relay is activated.
(3) Flasher Sound Relay is controlled by the BCM.
2. Turn signal and hazard control




(1) Turn Left/ Right Signal Flashing Function
A. If the Left (or Right) turn switch is active and if IGN2 is On, the left (or Right) turn signal outputs are driven.
B. The turn signal is active as long as both conditions ((TurnSigLHSW or TurnSigRHSW=On) and IGN2=On) are true and is turned Off when one of these conditions is no longer detected.
C. If a failure is detected (Bulb/LED) outage or open load on the activated turn signal side, the flasher frequency is doubled.
D. This failure can be detected when IGN1 and IGN2 On (IGN1=On and IGN2=On).
E. While Turn switch is On and failure was detected, even if bulb (or LED) failure is no longer detected, keep the double blinking flashing and after next Turn switch On transition, only then, flasher is activated with normal blinking.




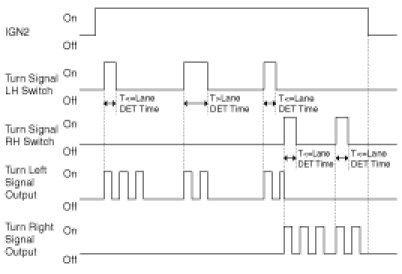
(2) Lane Change Turn Left/ Right Signal Control Function
A. Flasher lane-change feature means that a momentary activation of the turn switch will cause 3 flashes on the indicator circuit.
B. This lane-change feature operates under the following conditions:
- Lane change mode enabled
- Ignition 2 shall be On, the lane change feature is not available if Ignition 2 is Off.
- The "bulb-fail" mode is not working and the flashing frequency is always Normal Blinking in Lane Change mode (85±10period/min).
- During the Lane Change mode operation, if the user moves the turn switch in the other direction, then Lane change mode is finished and the other direction's flashing (Normal or Lane change flashing) will start depending on the switch detection time.