lemon-mirror:
Home >> Hyundai >> 2010 >> Elantra L4-2.0L >> Repair and Diagnosis >> Specifications >> Mechanical Specifications >> Engine >> Engine Lubrication >> System Specifications

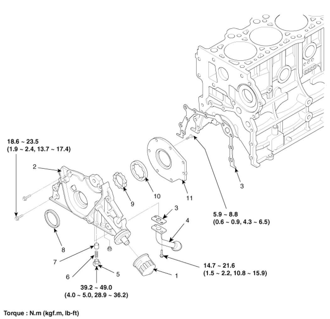
System Specifications





Components