lemon-mirror:
Home >> Hyundai >> 2010 >> Elantra L4-2.0L >> Repair and Diagnosis >> Diagrams >> Electrical Diagrams >> Powertrain Management >> Computers and Control Systems >> Engine Control Module

Engine Control Module





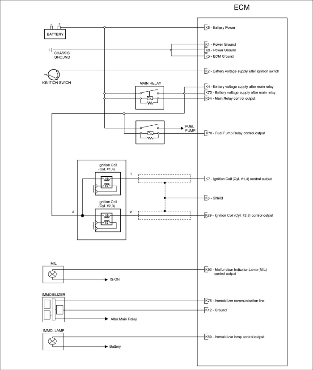
Engine Control Module (ECM)

Circuit Diagram