lemon-mirror:
Home >> Hyundai >> 2010 >> Azera V6-3.3L >> Repair and Diagnosis >> Powertrain Management >> Computers and Control Systems >> Engine Control Module >> Locations

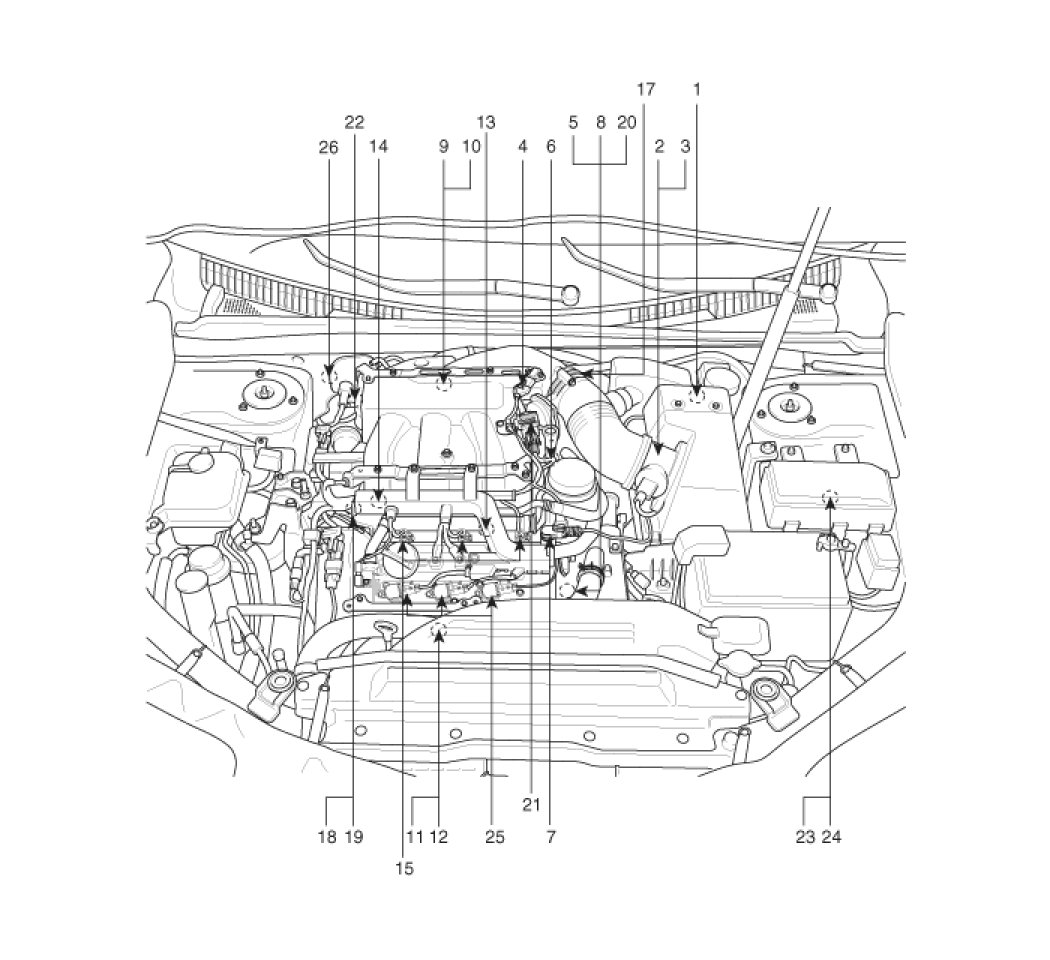
Engine Control Module: Locations





Component Location