lemon-mirror:
Home >> Hyundai >> 2010 >> Azera V6-3.3L >> Repair and Diagnosis >> Diagrams >> Electrical Diagrams >> Powertrain Management >> Computers and Control Systems >> Engine Control Module

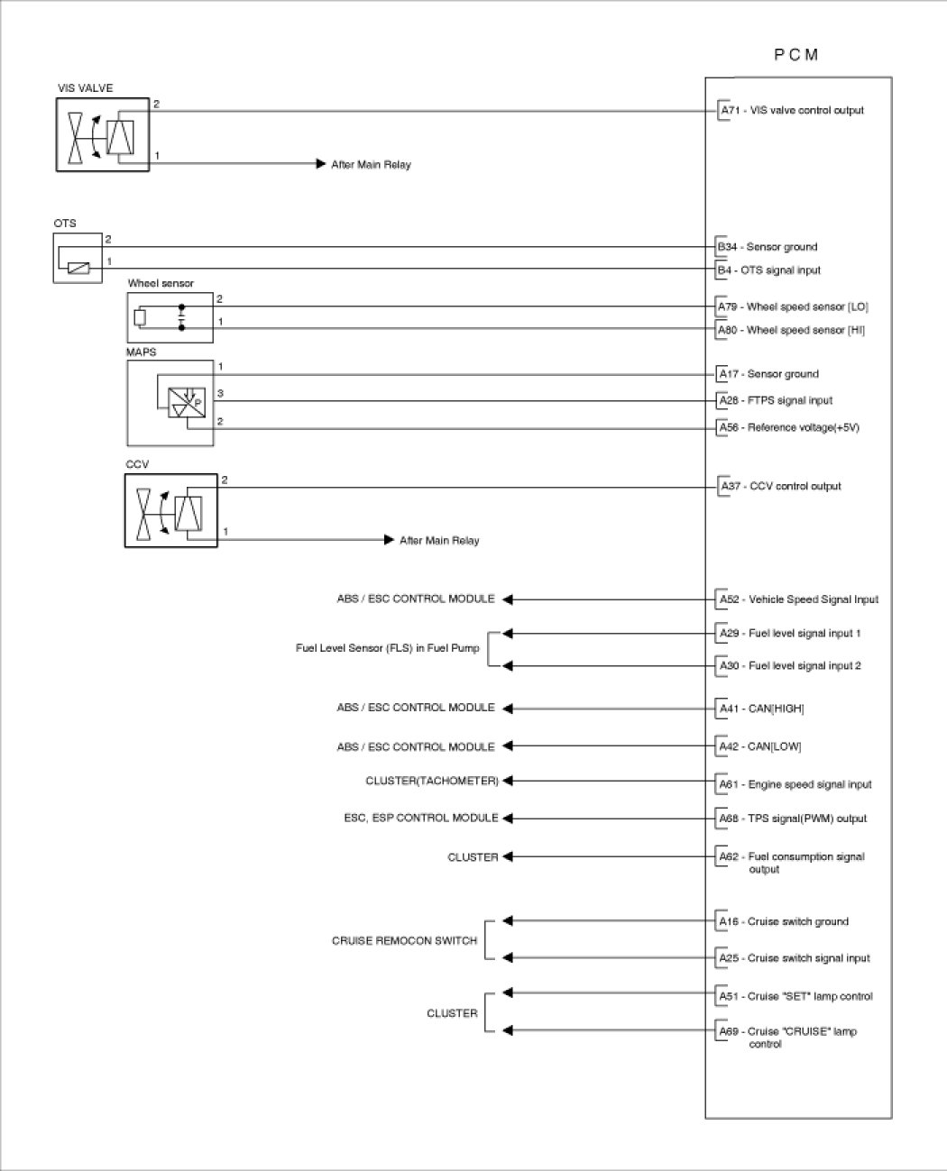
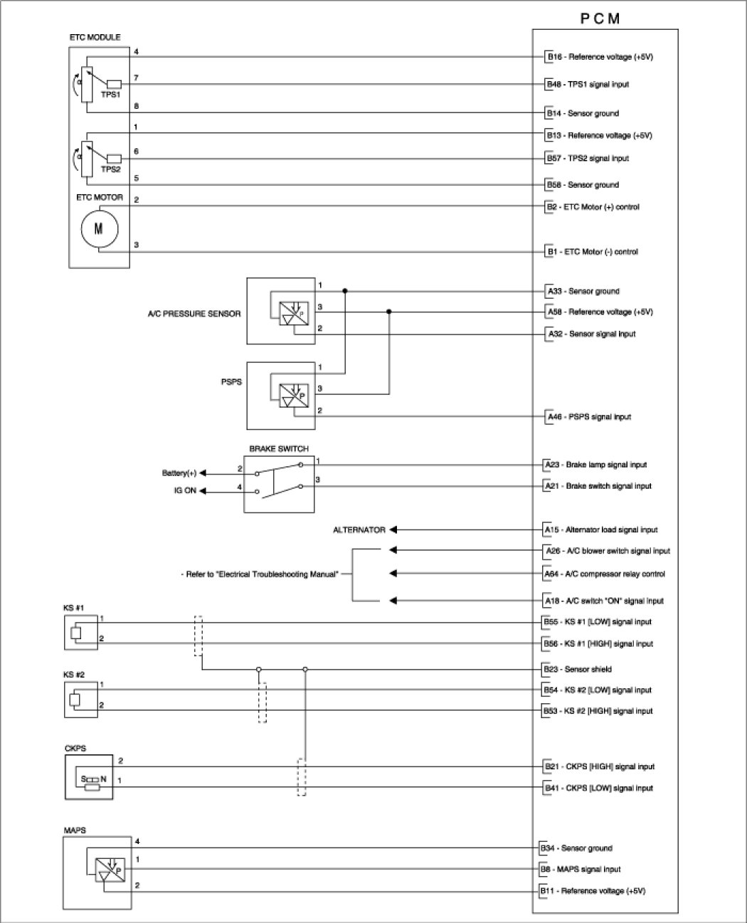
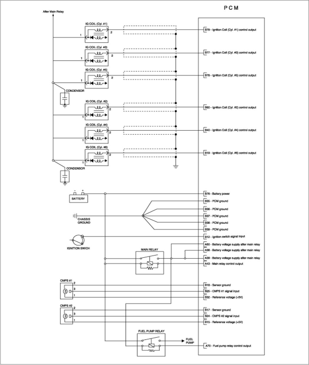
Engine Control Module





Circuit Diagram