lemon-mirror:
Home >> Hyundai >> 2010 >> Azera V6-3.3L >> Repair and Diagnosis >> Body and Frame >> Body Control Systems >> Body Control Module >> Description and Operation >> Body Control Module (BCM)

Body Control Module (BCM)





Description





Operation

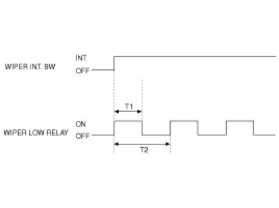
1. Wiper Control By Wiper Switch
(1) In IGN2 ON state, if there is wiper low input (LIN communication), then wiper low relay output is turned on.
(2) In IGN2 ON state, if there is wiper high input (LIN communication), then both wiper low relay and wiper high relay outputs are turned on.
(3) In IGN2 ON state, if there is wiper intermittent input (LIN communication), then wiper is controlled by vehicle speed and wiper intermittent time input.




T1 : 0.7 ± 0.1 sec,
T2 : Interval time.
(4) In IGN2 ON state, if MIST switch input is ON then wiper low relay output is turned on until MIST switch is OFF.
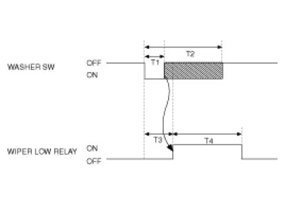
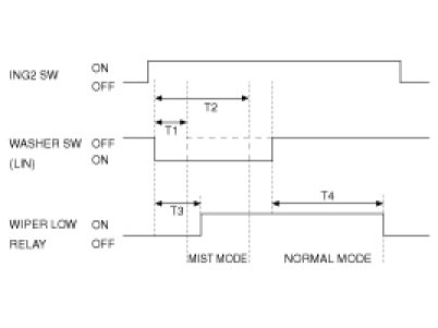
2. Wiper Motor Control For Washer
(1) If the duration of washer switch input is measured from 0.2 sec to 0.6 sec, after T3, the wiper low relay output is ON for 0.7 sec. (For 1 Time wiping)




T1 : 0.2 sec, T2 : 0.6 sec,
T3 : 0.3 sec, T4 : 0.7 ± 0.1 sec.
(2) If washer switch is ON more than 0.6 sec, The wiper activation output is on after T3 (0.3sec)
(3) If washer switch is OFF, the wiper motor will stop wiper after 3 ± 0.3 sec later.




T1 : 0.2 sec, T2 : 0.6 sec,
T3 : 0.3 sec, T4 : 3 sec.
3. Rain Sensing Wiper
(1) In IGN2 ON state, if auto switch input (LIN communication) is ON then both wiper low relay and wiper high relay outputs are controlled by the rain sensor input signal.
(2) If the wiper switch has been left in automatic mode with the vehicle ignition OFF, and then the vehicle ignition switch is turned on, a single wipe will be performed.




(3) A single wipe will be performed whenever rain has been detected (Rain Detected signal from Rain sensor) and the wiper switch is moved to the AUTO position. But a single wipe will not be performed when the wiper switch is moved to the AUTO position and OFF signal is being received from Rain sensor. But if the wiper switch is moved to AUTO position for the first time since vehicle ignition switch is turned on then a single wipe will be performed regardless of Rain Detected or OFF signal.




(4) The drive may adjust the rain sensor performance by adjusting the sensitivity input. When in automatic mode, the BCM will perform a single wipe each time the sensitivity is adjusted upward to a more sensitive setting (downward more then one step). This single wipe will only be performed if Rain Detected signal is being received from the Rain sensor. If the sensitivity adjustment is adjusted upward more than one sensitivity, the BCM will only perform a single wipe unless the time between Increases is more than 2 seconds.




(5) Fault strategy for the rain sensor
Rain Sensor Fault 1 - Internal Fault Detected
This failure is detected when the wiper is in automatic mode and the input faulty rain sensor from the rain sensor has a duty cycle corresponding to Fault 1. The confirmation delay for the failure is of 1 sec.
When this failure is detected, the wiper outputs are OFF and the wiper will also do a wipe in slow speed on the transition from sensitivity 3 to sensitivity 2 (Step 2 to 3) in order to signal the presence of this fault. If another sensitivity is set, the wiper won't make any additional wipe.




Rain Sensor Fault 2 - Glass Attachment Fault Detected
This failure is detected when the wiper is in automatic mode and the input faulty rain sensor from the rain sensor has a duty cycle corresponding to Fault 2. The confirmation delay for the failure is of 1 sec.
When this failure is detected, the wiper outputs are OFF and the wiper will also do a wipe on the transition from sensitivity 4 to sensitivity 3 (Step 1 to 2) in order to signal the presence of this fault. If another sensitivity is set, the wiper won't make any additional wipe.




Rain Sensor Fault 3 - No Input Signal Present
This failure is detected when the wiper is in automatic mode and the input faulty rain sensor from the rain sensor has a duty cycle corresponding to Fault 3 or in case the duty cycle of the input faulty rain sensor is 0% or 100%. The confirmation delay for the failure is of 1 sec.
When this failure is detected, the wiper outputs are OFF.
4. Tail Lamp Auto Cut
(1) With the tail lamp switched ON, if the ignition Is switched OFF and the Driver door opened, the tail lamp should be automatically turned OFF.
(2) With the ignition switch ON, if the Driver door is opened and the ignition is switched to OFF, the tail lamp should be automatically turned OFF.
(3) When the tail lamp is cut automatically and the tail lamp switch is turned OFF and ON, the tail lamp illuminates and auto cut function is cancelled.
(4) When the tail lamp is cut automatically and the ignition key is inserted, the tail lamp illuminates and auto cut function is canceled.




5. Head Lamp Low Control
(1) In IGN1 ON state, if there is head lamp low switch input (LIN communication), head lamp low relay output is turned ON.
(2) In IGN1 ON state, If head lamp high switch input (LIN communication) and head lamp low relay is detected then head lamp high relay output is turned ON. Which means the head lamp high relay and also the head lamp high indicator on the cluster.
(3) In IGN1 ON state, If head lamp passing input (LIN communication) is detected then head lamp high relay output and head lamp low relay are turned ON.
6. Auto Light Control
In the state of IGN1 ON, when multi function switch module detects auto light switch on, tail lamp relay output and head lamp low relay output are controlled according to auto light sensor's input.
The auto light control doesn't work if the pin sunlight supply (5V regulated power from Ignition 1 power to sunlight sensor) is in short circuit with the ground.
If IGN1 ON, The BCM monitors the range of this supply and raises up a failure as soon as the supply's voltage is out of range. Then this failure occurs and as long as this is present, the head lamp must be turned on without taking care about the sunlight level provided by the sensor.
This is designed to prevent any head lamp cut off when the failure occurs during the night.









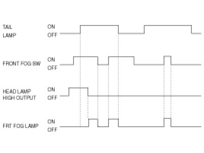
7. Front Fog Lamp Control
In case of (IGN 2 = ON) & (HEAD LAMP LOW OUTPUT = ON) & (HEAD LAMP HIGH OUTPUT = OFF) status, if front fog switch input is detected (LIN communication), front fog lamp relay output is turned ON.




8. Flasher Control
(1) Normal operating condition
Turn signal period : 85±10 period/min
While IGN2 is ON if turn signal left switch or turn signal right switch or hazard switch input is detected, then turn signal outputs are turned ON following the switch input (left, right or hazard).

NOTE:
Priority : hazard > turn signal




(2) Lamp failure condition
When one of the front or rear is broken-down (Lamp failure), the turn signal blinks with double frequency.
The double blinking works at IGN2 ON condition, double blinking for Hazard: Except side lamp, if any error condition is detected then triggered the double blinking.
Period : More than 120 Cycle/min




9. MAGNETIC & BUZZER & SOUND CONTROL
Sound priority
1st : Diagnostic sound (provided to test the Buzzer by way of Diagnostic tool)
2nd : Seatbelt warning
3rd : Over speed warning (Middle east area)
4th : FOB key operated warning
5th : Key learning sound (Learning with diagnostic tool)
10. Seat Belt Reminder
(1) Seat belt reminder lamp and reminder sound stop at IGN1 OFF during the operation
With a seat belt switch on, reminder sound stops immediately but seat belt reminder indicator continues working for the remained time.
(2) Reminder lamp and reminder sound are always activated for one period if seat belt is released after seatbelt was fastened during IGN1 ON status.
(3) If IGN1 is turned OFF during seat belt reminder, the seat belt reminder indicator and buzzer stops immediately.
(4) Whether the seat belt is fasten or not, BCM detected IGN ON signal, Seat belt reminder Indicator should be triggered for defined timing but buzzer warning should follow the status of seat belt switch.




T1 : 6 ± 1 sec,
T2 : 0.3 ± 0.1 sec.
11. Key Operated Warning (Key Reminder Warning)
(1) While IGN KEY is inserted into the key cylinder or ACC is on or IGN2 is on or IGN1 is on, if driver side door is opened. Key operated warning starts.
(2) If the key is pulled out from key cylinder and ACC = IGN2 = IGN1 = OFF, or if driver side door is closed, then the key operated warning stops immediately.
(3) Duration : Permanent (The key operated warning continues permanently if the condition has not changed)




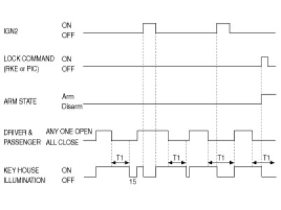
12. Key Hole Illumination
(1) Turn ON condition
A. IGN1 OFF
B. Door open [(front left door switch ON) or (front right door switch ON)]
C. IGN key hole illumination is turned on. key hole illumination ON
(2) 30 sec illumination condition
A. Turn on condition
B. Door close [(front left door switch OFF) and (front right door switch OFF)]
C. The IGN key hole is illuminated for 30 sec.
If doors open again during 30sec illumination, the turn ON condition starts again.
(3) Illumination stops condition
A. IGN key hole is illuminated
B. IGN ON or Entered arm mode (by RKE or PIC)
C. IGN key hole illumination is turned off immediately. key hole illumination = OFF




T1 : 30 ± 1 sec.
13. Defogger Timer
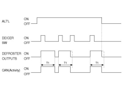
(1) Condition 1
A. Alternator level high & defogger is OFF
(Defogger relay OFF and defogger activity OFF)
B. Defogger is activated (defogger switch ON)
C. Defogger outputs are turned ON
(2) Condition 2
A. Alternator level high & defogger is ON
B. Defogger switch Input pushed again or T1 delay has elapsed since defogger has been turned ON
C. Defogger outputs are turned OFF
(3) Condition 3
If alternator input is changed to low, defogger outputs should be turned OFF immediately.
(4) Outside mirror defogger of door module can be controlled by CAN communication at the same time.




T1 : 20 min ± 1 min
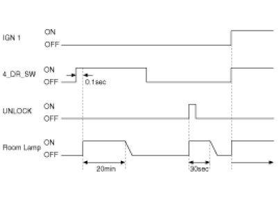
14. Decayed Room Lamp
(1) When room lamp off & IGN1 off & all door closed, if transition of all doors closed to not (all doors closed) for more than 0.1sec, room lamp is turned on for 20 min.
(2) When room lamp off & IGN1 off & all door closed, if remote control unlock is received, room lamp is turned on for 30 seconds.
(3) When room lamp off & IGN1 off & all door closed, if IGN1 ON & all doors closed to not (all doors closed), the room lamp is turned ON without time limitation.




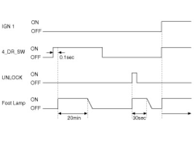
15. Decayed Foot Lamp
(1) When foot lamp off & IGN1 off & all door closed, if transition of all doors closed to not (all doors closed) for more than 0.1sec, foot lamp is turned on for 20 min.
(2) When foot lamp off & IGN1 off & all door closed, if remote control unlock is received, foot lamp is turned on for 30 seconds.
(3) When foot lamp off & IGN1 off & all door closed, if IGN1 ON & all doors closed to not (all doors closed) or P position (transmission), the foot lamp is turned ON without time limitation.




16. Power Window Timer
(1) Power window relay CAN signal is switched ON when IGN1 switch ON.
(2) When IGN1 switch is turned off, the power window relay CAN signal remains on for 30sec and then is turned OFF.
(3) During the operation 2), if driver or assistant side door is opened, the power window relay CAN signal is turned OFF immediately.




17. Rear Power Window Control
(1) Operation ON condition
Power window relay ON, Power window LOCK CAN signal UNLOCK or rear Power window UP/DOWN CAN signal ON.
(2) Operation OFF condition
Power window relay OFF or Power window LOCK CAN signal LOCK and rear power window UP/DOWN CAN signal OFF.




18. Daytime Running Light Control
This Day time Running Light option is selected by the DRL option line input connected to ground.
A. DRL for CANADA
(if North America option connected to the ground electrical level)
The interior lamp is automatically turned on by HW activity on the Tail Lp Relay output.
(North America option input line is connected to the ground electrical level)
CANADA option uses HIGH BEAM as the HEAD LAMP.
Release condition:
(1) HEADLAMP LOW RLY ON or
(2) HEADLAMP HIGH RLY or PASSING ON or
(3) PARKING BRAKE ON





NOTE:
Headlamp low output includes condition on switches and also by AUTO LIGHT.