lemon-mirror:
Home >> Hyundai >> 2010 >> Accent L4-1.6L >> Repair and Diagnosis >> Diagrams >> Electrical Diagrams >> Powertrain Management >> Computers and Control Systems >> Body Control Module

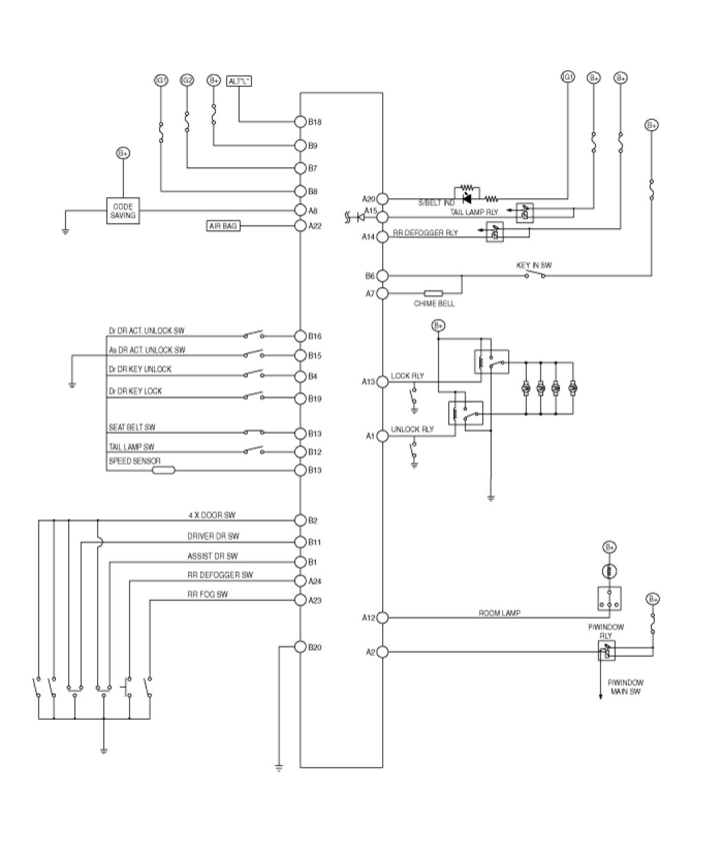
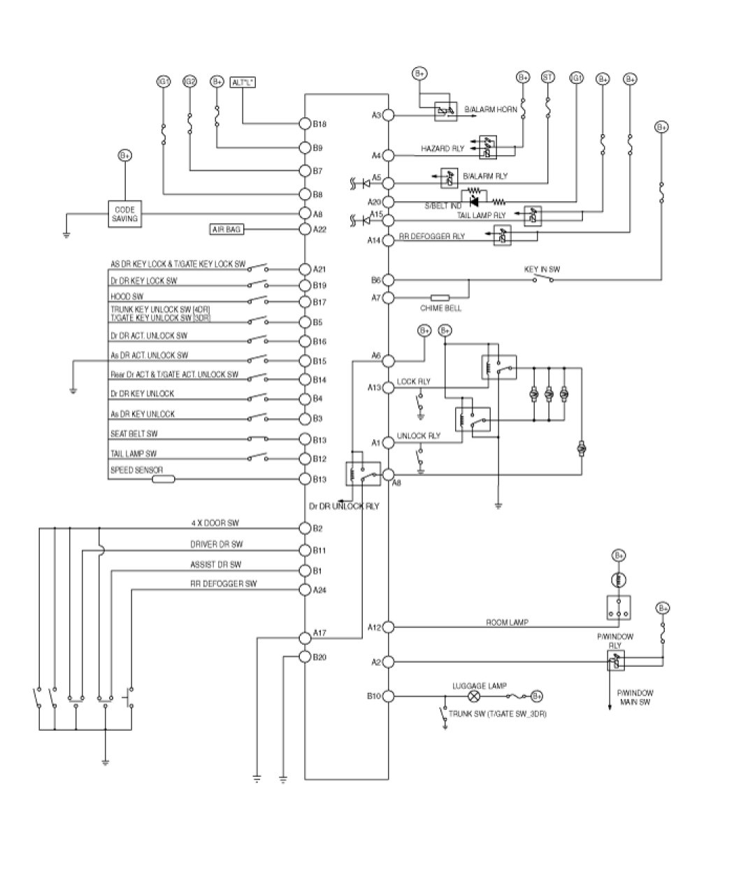
Body Control Module





Circuit Diagram

BCM & Receiver





BCM