lemon-mirror:
Home >> Hyundai >> 2009 >> Tucson FWD V6-2.7L >> Repair and Diagnosis >> Diagrams >> Electrical Diagrams >> Powertrain Management >> Computers and Control Systems >> Engine Control Module

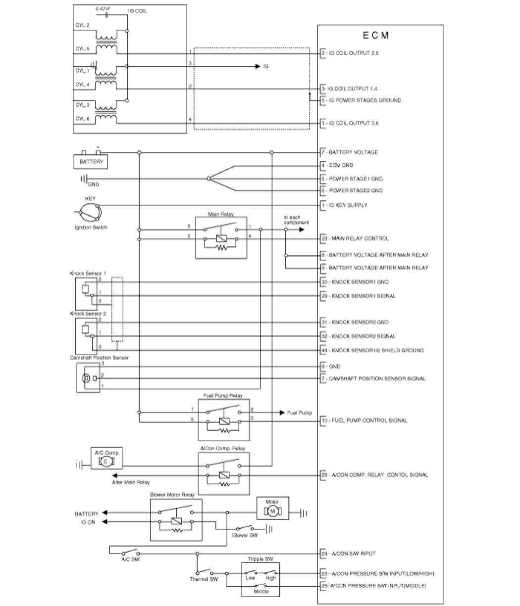
Engine Control Module





Circuit Diagram














1. ECM Harness Connector





2. ECM Terminal Function
[Connector C30-1]





[Connector C30-2]





[Connector C30-3]









[Connector C30-4]





[Connector C30-5]






3. ECM Terminal Input/output Signal
[Connector C30-1]





[Connector C30-2]









[Connector C30-3]













[Connector C30-4]









[Connector C30-5]