lemon-mirror:
Home >> Hyundai >> 2009 >> Tucson FWD L4-2.0L >> Repair and Diagnosis >> Specifications >> Mechanical Specifications >> Engine >> Cylinder Head Assembly >> System Specifications >> Components and Components Location

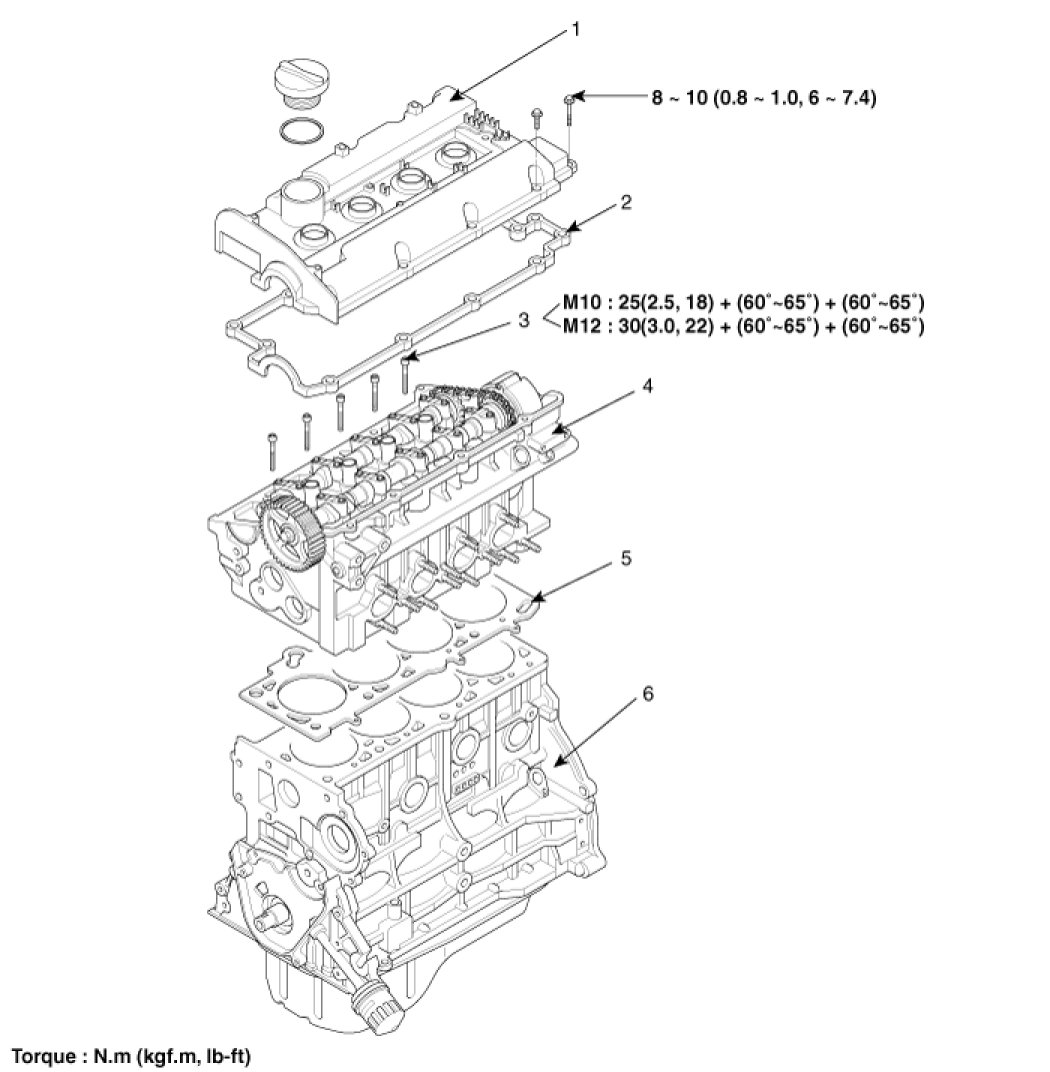
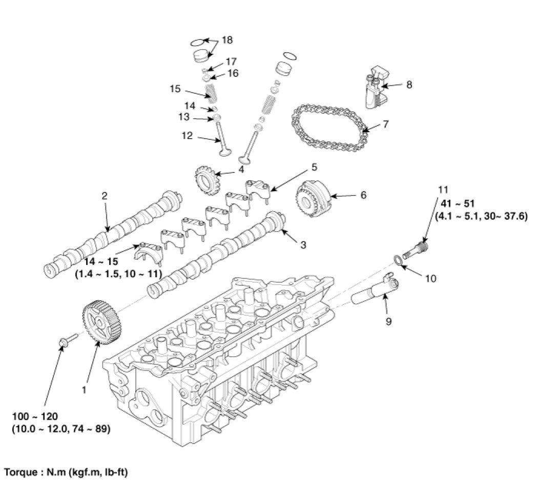
Components and Components Location





Components