lemon-mirror:
Home >> Hyundai >> 2009 >> Tucson FWD L4-2.0L >> Repair and Diagnosis >> Powertrain Management >> Computers and Control Systems >> Relays and Modules - Computers and Control Systems >> Body Control Module >> Testing and Inspection >> Etacs Module

Etacs Module





Inspection

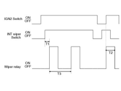
1. Variable INT Wiper
(1) Under IGN2=0N, INT wiper Intermittent operation is possible from intermittent volume setting rate if INT WIPER SW is on.




Time specification
T1 : 0.3 sec (MAX)
T2 : 0.7 0.1SEC
T3 : T2+Cessation time 2.2 0.2sec(VR=0K )Min ~ 10 1sec (VR 50K )Max
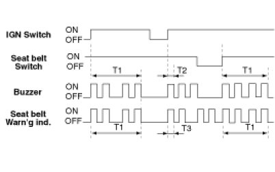
2. Seat belt warning timer
(1) Since the ignition is switched ON, the seat belt warning indicator is illuminated (with period : 0.6 sec., duty rate : 50%) and the buzzer is sounded (with period : 0.9 sec., duty rate : 50%) for total time 6 seconds.
(2) If the ignition is switched off during the indicator and the buzzer output, the indicator and the buzzer are switched OFF.
If the seat belt is sensed as fastened during the indicator and the buzzer output, the buzzer is switched OFF immediately and the seat belt warning indicator is illuminated for the remained seconds.
(3) When the ignition is already switched ON, if the seat belt is removed, the warning indicator and the buzzer are output for total time 6 seconds.




3. Key operated warning
(1) Buzzer sounds continuously when DRIVER DOOR is opened under IGN KEY switch = IN.
(2) Buzzer stops sounding if IGN KEY switch =OUT or Driver DOOR=CLOSE are met during CHIME BUZZER output.
(3) In case of BELL, BELL is operated every 0.9sec(DUTY 50%) during BUZZER output time.




4. Front deicer timer
(1) After ALT "L"=ON, Front DEICER RELAY become ON for T1 when Front DEICER switch is turned ON.
(2) On the state of OUTPUT =ON, Front DEICER RELAY become OFF if Front DEICER switch is turned ON or ALT "L"=OFF.




Time specification
T1 : 20 min
5. Rear defogger timer
(1) REAR DEFOG RELAY is turned ON for T1 if REAR DEFOG switch is turned ON under ALT "L" = ON.
(2) REAR DEFOG RELAY is turned OFF if REAR DEFOG switch is turned ON again under output ON or ALT"L" = OFF.




Time specification
T1 : 20 min
6. Decayed room lamp
(1) Room Lamp lights 100% at D00R OPEN.
(2) Room Lamp phases out lighting up to 0% in T2 after lighting 100% for T1.
(But, if DOOR is opened continuously, Room Lamp is lighting up 100% for T4 then Room Lamp phases out lighting up to 0% in T2.)
(3) Room Lamp is immediately turned OFF at All Door Lock Switch = ON or IGN = ON during T1.(phasing out lighting for T2)
(4) Room Lamp is turned ON for T3 when Tx UNLOCK signal is received under DOOR CLOSE.
(5) Under ON state, Room Lamp signal output is extended for T3 if Tx UNLOCK signal is received again.
(6) Under T3 ON, Room Lamp lights for T4 continuously at D00R OPEN and operation in 2) is performed at DOOR CLOSE.
(7) Room Lamp is turned off(phasing out for T2) at All DOOR Lock during Room Lamp ON.




7. Rear fog lamp
(1) REAR FOG RELAY is turned ON if pushing REAR FOG switch OFF -> ON under HEAD LAMP switch=ON (or FRONT FOG switch=ON) & IGN1=ON & TAIL=ON.
(2) Output is turned OFF if pushing REAR FOG switch OFF -> ON again under REAR FOG RELAY ON.
(3) REAR FOG RELAY is turned OFF unless the condition "IGN1=ON & TAIL switch =ON & HEAD LAMP switch = ON (and FRONT FOG switch=ON)" is met.




8. Tail lamp auto cut
(1) TAIL RELAY is turned ON When TAIL switch is ON.
(2) TAIL RELAY is turned OFF when TAIL switch is OFF.
(3) TAIL RELAY is turned OFF(AUTO CUT) if the state is changed from IGN KEY switch = IN & TAIL switch = ON to IGN KEY switch = OUT & TAIL switch = ON & Driver DOOR = OPEN.(automatic light out)
(4) TAIL RELAY is turned ON when IGN KEY switch is turned ON after the operation in 3).
(5) Light out state is held at BATTERY ON/OFF after the automatic light out in 3).




9. IGN key hole illumination
(1) KEY ILLUMI LAMP is turned ON at IGN switch = OFF & DOOR = OPEN.
(2) KEY ILLUMI LAMP is turned ON for T1 at DOOR = CLOSE after the operation in 1).
(3) KEY ILLUMI LAMP is immediately turned OFF at IGN1 switch = ON during output.
(4) KEY ILLUMI LAMP is immediately turned OFF at transition to warning MODE during output.




Time specification
T1 : 30 sec.
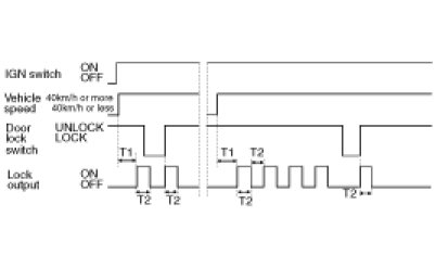
10. Auto door lock
(1) This does not activate when vehicle speed is less than 40km/h.
(2) LOCK signal is output if vehicle speed is 40km/h or more for at least 1sec under ALT"L" ON, IGN switch = ON. But, LOCK signal is not output if all Door's are locked or all Door's are FAIL in advance.
(3) LOCK signal is output 3 times as Max if either one door is unlocked after LOCK signal output in 2). But, DOOR, which is locked from UNLOCK state during 3-time output, is ignored.
(4) Relevant DOOR is FAIL if the state is UNLOCK after 3-time output.
(5) LOCK signal is output once if the FAIL DOOR is unlocked again after the DOOR is locked.
(6) LOCK signal is output once if locked doors, which are LOCK state after LOCK signal output in 2), are unlocked again. But, LOCK signal is output once for the relevant DOOR even when UNLOCK state continues after LOCK signal output.
(7) FAIL DOOR is cleared at IGN switch = OFF.
(8) AUTO DOOR LOCK function is not performed when CRASH UNLOCK condition is met.




Time specification
T1 : 1sec ± 0.5sec
T2 : 0.5sec
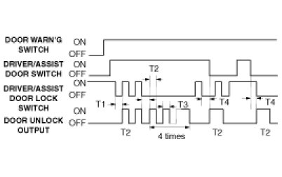
11. IGN key reminder
(1) This function is not performed when vehicle speed is 3km/h or more.
(2) ALL DOOR UNLOCK signals are output for T2 after T1 from when the state becomes IGN KEY switch = IN & DOOR = OPEN & DOOR LOCK switch = LOCK.
(3) UNLOCK signal is output 3times as Max in case LOCK state is held even when UNLOCK signal is output for 1s in 2).
(4) All Door Unlock signal is output for 1sec when DOOR LOCK switch = LOCK at DOOR CLOSE during 3).




Time specification
T1,T3 : 0.5 sec., T2 : 1 sec.,
T4 : Max.0.5 sec.
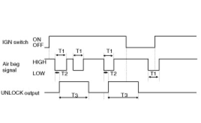
12. Crash door unlock
(1) UNLOCK signal is always output for T3 when AIR BAG signal is input under IGN switch = ON.
(2) UNLOCK signal is output for the remaining time even when IGN switch ON is turned to OFF during UNLOCK output.
(3) UNLOCK signal is not output when IGN switch OFF is turned to ON after AIR BAG signal is input in advance.
(4) UNLOCK signal is output for T3 when Driver, Assist or REAR DOOR LOCK SWITCH is locked from UNLOCK.




Time specification
T1 : 0.2 sec
T2 : 40 ms
T3 : 0.5 sec
13. Power window timer
(1) POWER WINDOW RELAY it turned ON at IGN1 Switch = ON.
(2) POWER WINDOW RELAY is turned ON for T1 at IGN1 Switch = OFF.
(3) POWER WINDOW RELAY is immediately turned OFF if DOOR is opened under POWER WINDOW RELAY ON for T1.
(4) POWER WINDOW RELAY is immediately turned OFF at IGN Switch ON -> OFF under DOOR OPEN.




Time specification
T1 : 30 sec
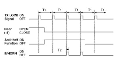
14. Horn answer back
(1) If "LOCK" button of the transmitter is pushed, when 4 doors are closed, the burglar alarm horn operates for 'T2', 4 secs(T1) after engaging "LOCK" button.
(2) The burglar alarm horn does not operate when cancelling the anti-theft function during T1.