lemon-mirror:
Home >> Hyundai >> 2009 >> Tucson FWD L4-2.0L >> Repair and Diagnosis >> Diagrams >> Exploded Views >> Engine

Engine





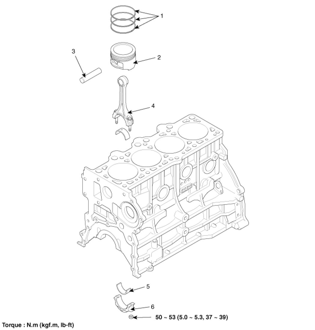
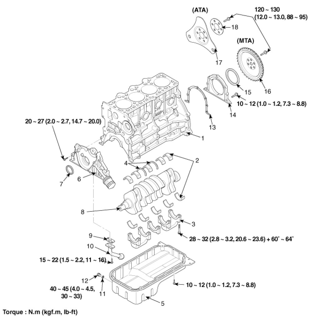
Components