lemon-mirror:
Home >> Hyundai >> 2009 >> Tucson FWD L4-2.0L >> Repair and Diagnosis >> Diagrams >> Electrical Diagrams >> Powertrain Management >> Computers and Control Systems >> Body Control Module

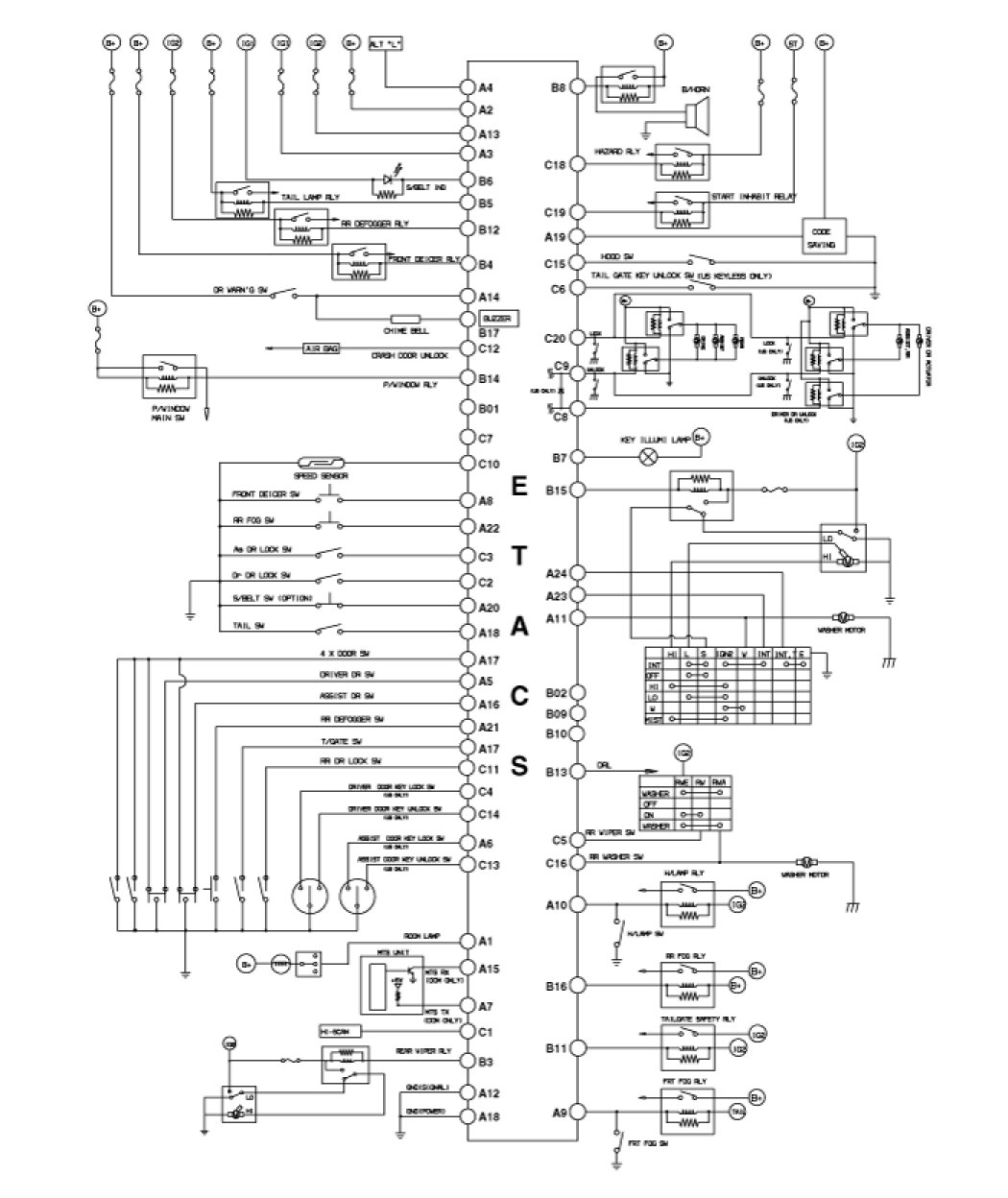
Body Control Module





Circuit Diagram