lemon-mirror:
Home >> Hyundai >> 2009 >> Sonata L4-2.4L >> Repair and Diagnosis >> Body and Frame >> Body Control Systems >> Body Control Module >> Testing and Inspection >> Component Tests and General Diagnostics

Component Tests and General Diagnostics





Inspection

Verify each components operation using related timing charts.
1. Tail Lamp Auto Cut
(1) With the tail lamp switched ON, if the ignition
Is switched OFF and the driver's door opened, the tail lamp should be automatically turned OFF.
(2) With the ignition switch ON, if the driver's door is opened and the ignition is switched to OFF, the tail lamp should be automatically turned OFF.
(3) When the tail lamp is cut automatically and the tail lamp switch is turned OFF and ON, the tail lamp illuminates and auto cut function is cancelled.
(4) When the tail lamp is cut automatically and the ignition key is inserted, the tail lamp illuminates and auto cut function is canceled.




2. Ignition Keyhole Illumination
(1) Ignition keyhole illumination is turned ON at ACC SW = OFF & IGN SW = OFF & DOOR = OPEN.
(2) Ignition keyhole illumination is turned ON for T1 at DOOR = CLOSE after the operation in step 1).
(3) Ignition keyhole illumination is immediately turned OFF at ACC SW = ON & IGN SW = ON during output.
(4) Ignition keyhole illumination is immediately turned OFF at transition to warning MODE during output.




T1 : 30 ± 3 sec.
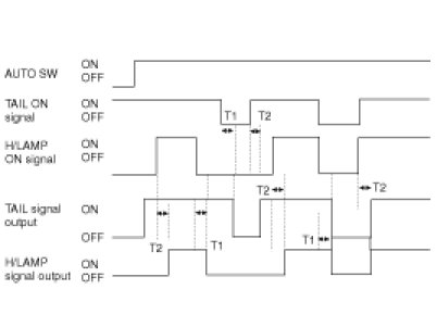
T2 : 0 - 10 sec.
3. Decayed room lamp & foot lamp
(1) Room lamp & Foot Lamp lights 100% at DOOR OPEN (4DOOR switch = ON).
(But, If DOOR is opened continuously, O_Room Lamp & Foot Lamp is lighting up 100% and the lamp phases out lighting up to 0% in 2sec after lighting 100% for 20minute.)
At DOOR CLOSE (4DOOR switch = OFF), the lamp phases out lighting up to 0% in 2sec after lighting 100% for 30sec.
(2) O_Room Lamp & Foot Lamp is turned ON always when DOOR OPEN at IGN switch=ON.
(3) Resolution is 32 step or more
(4) The lamp is immediately turned OFF at ALL DOOR LOCK or IGN switch = ON during T1(phasing out lighting for2sec).
(5) Shall be no phasing out lighting if 4DOOR switch ON time is 0.08sec or less.
(6) Shall be no flashing.
(7) Shall be no flashing under 4DOOR OPEN and ROOM LAMP&Foot Lamp ON at IGN1 ON.
(8) ROOM LAMP&Foot Lamp are turned ON for T3 when Tx UNLOCK signal is received under DOOR CLOSE.
ROOM LAMP&Foot Lamp signal output is extended for T3 if Tx UNLOCK signal is received under ON state.
The lamp lights continuously at DOOR OPEN under ON state. Operation in (1) is performed at DOOR CLOSE.
ROOM LAMP&Foot Lamp signal is turned OFF at ALL DOOR LOCK during ROOM LAMP&Foot Lamp ON.
(phasing out for 2sec).




T1 : 30 ± 3 sec.,
T2 : 2 ± 0.2 sec.,
T3 : 32 ± 3.2sec.
4. Central Door Lock/unlock
(1) Central door lock/unlock








T1 : 0.5 ±0.1 sec.
5. Crash Door Unlock
(1) UNLOCK signal is always output when AIR BAG signal is input under IG SW = ON.
(2) UNLOCK signal is output for the remaining time even when IG SW ON is turned to OFF during UNLOCK output.
(3) UNLOCK signal is not output when IG SW OFF is turned to ON after AIR BAG signal is input in advance.
(4) UNLOCK signal is output for T3 when driver, Assist or rear DOOR LOCK SW is locked from UNLOCK after UNLOCK signal is output.
(5) AUTO DOOR LOCK function is not performed when CRASH UNLOCK condition is met.
(6) CENTRAL DOOR LOCK function is not performed during or after CRASH UNLOCK signal output.
But, CENTRAL DOOR LOCK function is performed normally if CRASH UNLOCK function is reset after IG OFF.




T1 : 0.2 ± 0.02 sec.,
T2 : 0.04 sec.,
T3 : 5 ± 0.5 sec.
6. 2-Turn Unlock
(1) All door unlock signals are output for T2 if driver door key unlock switch is turned ON within T1 after changing driver door key unlock switch from OFF to ON(mechanically, driver door key unlock switch is unlocked and BCM signal is not output). (All door unlock signals are output even within T1 after RKE UNLOCK signal is received.)
(2) Driver door unlock signal is output for T2 when RKE UNLOCK signal is received. But, all door unlock signals are output for T2 if RKE UNLOCK signal is received within T1.




T1 : within 4 ± 1sec,
T2 : 0.5 ± 0.1sec.
7. Auto Door Lock
Change Lever Interlocking Auto Door Lock
(1) When IGN Switch=ON & 4 DOOR CLOSE & ANY DOOR UNLOCK Switch is UNLOCK, ALL DOOR LOCK signal is output for T1(one time) if 'P' POSITION Switch = ON -> OFF.




T2 : 0.5s ± 0.1s
8. Auto Door Unlock
Change Lever Interlocking Auto Door Unlock
(1) When IGN Switch=ON & 4 DOOR CLOSE & ANY DOOR UNLOCK SW is LOCK, ALL DOOR LOCK signal is output for T1(one time) if 'P' POSITION Switch = ON -> OFF.




T1 : 0.5s ± 0.1s
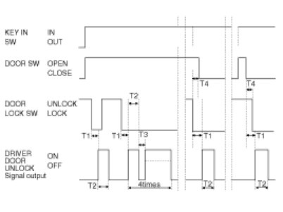
9. Ignition Key Reminder
(1) This function is not performed when vehicle speed is 3km/h or more.
(2) DRIVER UNLOCK signal is output for 1s after 0.5s from when the state becomes KEY IN SW = IN & DRIVER DOOR = OPEN & DRIVER DOOR LOCK SW = LOCK.
(3) ALL DOOR UNLOCK signals are output for 1s after 0.5s from when the state becomes KEY IN SW = IN & ASSIST DOOR = OPEN & ASSIST DOOR LOCK SW = LOCK.
(4) UNLOCK signal is output 3times as Max (1s-output is excluded) in case LOCK state is held even when UNLOCK signal is output for 1s in (2),(3). (1s cycle: 0.5s ON/OFF)




T1 : 0.5 ± 0.1 sec.
T2 : 1.0 ± 0.1 sec.
T3 : 0.5 ± 0.1 sec.
T4 : 0.5 sec.
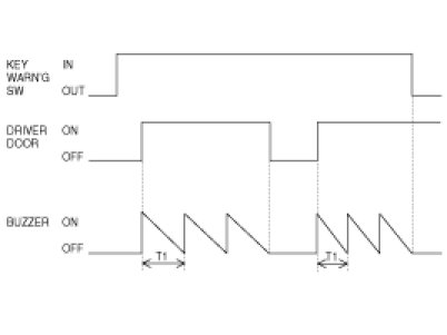
10. Key Operated Warning
(1) If the key is in the key cylinder and the driver door is opened, the buzzer is sounded (period: 0.7 sec., duty rate: 50%).
(2) If the ignition key is removed, or the door is closed, the buzzer is switched OFF immediately.
(3) When IGN is ON, the buzzer is OFF.




T1 : 1 ± 0.1sec.
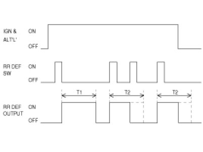
11. Windshield Deicer & Defogger Timer
(1) Once ALT "L" is ON, if the defogger is switched ON, the defogger will stay ON for 20 minutes duration.
(2) If defogger switch is pressed again (see Step 1), or if ignition is switched OFF, the defogger will shut OFF.




T1 : 20 ± 1 min.
T2 : MAX 20 ± 1 min.
12. Power Window Timer
(1) When the ignition is switched OFF, power window output remains ON for 30 seconds and then turns OFF.
(2) Related to Step 1), if the driver's door or assist door is opened, window power output is turned OFF immediately.
(3) When the driver's door or assist door is opened, the power window relay output is turned OFF immediately.




T1 : 30 ± 3 sec.
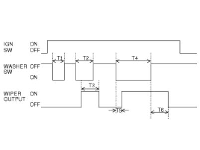
13. Wiper Related to Washer
(1) When the ignition switch is turned ON :
A. If washer switch is turned on, wiper output is ON after 0.3 sec. (T5)
B. If washer switch is turned OFF, wiper output is OFF after 3.8 sec. (T6)
(2) If the washer switch is turned OFF within 0.2 sec. (T2), the wiper will remain ON for up to 0.7 sec. (T3) from the moment that washer switch is turned OFF.




T1 : Less than 0.06 sec.
T2 : 0.06 - 0.2 sec. (MIST Function)
T3 : 0.7 ± 0.1sec.
T4 : More than 0.2 sec.
T5 : 0.3 sec.
T6 : 2.5 - 3.8 sec.
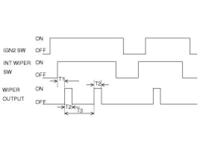
14. Variable Intermittent Wiper (Windshield Wiper)
(1) With the ignition switch ON, if the intermittent wiper switch is turned on, wiper output is ON according to the setting.
(2) When the intermittent wiper switch is ON, if the ignition switch is turned ON, wiper output is ON.




T1 : MAX 0.5 sec.
T2 : 0.7 ± 0.1sec.
T3 : 2.6 ± 0.7 sec. (FAST),
T3 : 18.0 ± 1.0sec. (SLOW) vehicle speed 0 km/h
15. Seat Belt Reminder Function (Driver)
(1) Warning lamp lights every 1sec(DUTY 50%) and BUZZER sounds every 1sec for 6sec when IGN is ON under unfastened Seat Belt.
(Warning lamp continues to light for 6sec and BUZZER is turned off if Seat Belt is fastened within 6sec)
(2) BUZZER and the warning lamp is stop when IGN is turned off within 6sec output after IGN is ON or ALT is ON.
(3) BUZZER and the warning lamp is operated once from vehicle speed = over 10Km/h when vehicle speed is over 10Km/h under Seat Belt is unfastened after IGN= ON or ALT "L"=ON.
(4) Output is stopped when vehicle speed is over 10Km/h or IGN=OFF or Seat Belt=ON
(but, Warning lamp continues for remaning time when vehicle speed is under 5Km/h during 6sec )
(5) Under IGN1 ON, output once at 10km/h or more in Seat Belt fastened -> unfastened.
Warning lamp is turned ON on cycle 1sec(DUTY 50%), warning BUZZER output on cycle 1sec for 6sec when 5 - 10km/h.
Warning lamp is turned ON on cycle 1sec(DUTY 50%) for 6sec.
16. Seat Belt Reminder Function (Assist)
(1) Warning lamp lights continuously every 1sec(DUTY 50%) for 6sec when IGN is turned ON under unfastened Seat Belt.
(2) Warning lamp is turned OFF when IGN is turned OFF within 0.6sec.
(3) When IGN is ON under unfastened Seat Belt, the warning lamp lights. The lamp continues to light for remaining time of 6sec when Seat Belt is fastened within 6sec. The lamp is OFF if Seat Belt is fastened after 6sec.
(4) When IGN is ON under unfastened Seat Belt , Warning lamp lights continuously. In case vehicle speed becomes 10KPH or more.
(5) Under the (4)state, Warning lamp is stopped when Seat Belt is unfastened or vehicle speed becomes under 5Km/h or IGN is turned OFF




T1 : 0.5 ± 0.1sec,
T2 : 6 ± 1sec.
17. Auto Light Control
(1) Auto light sensor value is always read at ACC ON.
(2) Light is turned ON after 12sec±1sec when auto light sensor value is same as light ON input value.
(3) Light is turned OFF after 12sec±1sec when sensor value is same as light OFF input value.
(4) Tail lamp and head lamp are turned ON when sensor value is same as tail lamp ON input value.
(5) Light ON value of sensor is based on the below table.
(6) Head lamp signal is output when head lamp switch is ON.
(7) After head lamp is turned OFF, head lamp signal output is kept if head lamp ON luminance condition is met at auto light switch ON.
(8) After head lamp is turned OFF, head lamp signal output is immediately stopped if head lamp OFF luminance condition is met at auto light switch ON.
(9) After head lamp is turned OFF, head lamp signal output is immediately stopped at tail switch signal input.
(10) After head lamp is turned OFF, head lamp signal output is stopped after 0.7s if there is no input of auto light switch or tail switch. (Shall be no flashing of head lamp)
(11) Head lamp signal output is stopped when switch position is changed from AUTO to head lamp switch during head lamp ON with auto light. (Shall be no flashing of head lamp)
(12) The condition of head lamp ON/OFF is same as the one of tail lamp ON/OFF at auto light switch ON. Light ON value of the input sensor is based on the table.











Trouble Diagnostics When Using Diagnosis Tool

1. The body control module can diagnose by using the diagnosis tool more quickly.
The BCM communicates with the diagnosis tool and then reads the input/output value and drives the actuator.
2. To diagnose the BCM function, select the menu of model and body control module.




3. To consult the present input/out value of BCM, "02. INPUT/OUTPUT MONITORING". It provides information of BCM input/output conditions of power supply, turn signal/brake lamp, headlamp, door, locks, outside mirror, wiper, auto-light and transmitters etc.








4. To perform compulsory operation on BCM input factors, select "03. ACTUATION TEST"









User Option Mode
The BCM offers 3 items user option mode for a user convenience (Auto door lock, door key burglar alarm, door lock state inform horn)
- It is able to set up the enable or disable of AUTO DOOR LOCK function or AUTO DOOR LOCK operation vehicle speed when using it.
- It is able to set up the enable or disable of enter the burglar alarm mode when using door lock by the key.
- It is able to set up the enable or disable of horn inform function when using door lock by the key or RKE.
1. Select option "SONATA(NF)" and press ENTER.
2. Select option "BODY CONTROL MODULE" and press ENTER.




3. Select option "USER OPTION" and press ENTER.




4. Select option "AUTO DOOR LOCK STATUS by using the direction button(UP / DOWN).
5. Select the parameter by using the direction button(LEFT / RIGHT) and press ENTER to save it.
(Disable / 5km/h / 10km/h / 15km/h / 20km/h / 25km/h /30km/h / 35km/h / 40km/h)




6. Select option "ARM/DISARM BY KEY(+RKE)" by using the direction button(UP / DOWN).
7. Select the parameter by using the direction button(LEFT / RIGHT) and press ENTER to save it.
(Disable / Enable)
8. Select option "HORN ANSWER BACK (+RK)" by using the direction button(UP / DOWN).
9. Select the parameter by using the direction button(LEFT / RIGHT) and press ENTER to save it.
(Disable / Enable)