lemon-mirror:
Home >> Hyundai >> 2009 >> Santa Fe FWD V6-3.3L >> Repair and Diagnosis >> Specifications >> Mechanical Specifications >> Engine >> System Specifications >> Cylinder Block

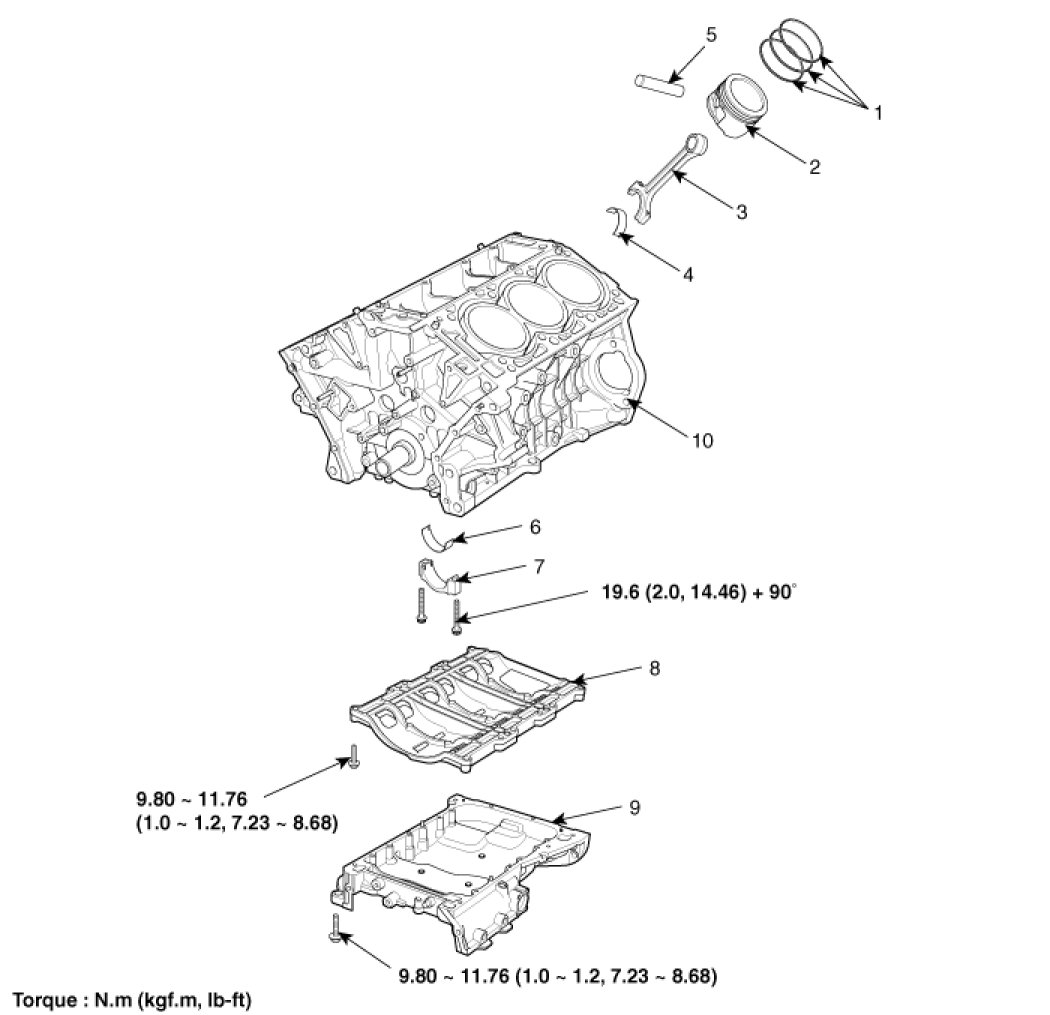
Cylinder Block





Components