lemon-mirror:
Home >> Hyundai >> 2009 >> Santa Fe FWD V6-3.3L >> Repair and Diagnosis >> Diagrams >> Electrical Diagrams >> Powertrain Management >> Computers and Control Systems >> Engine Control Module

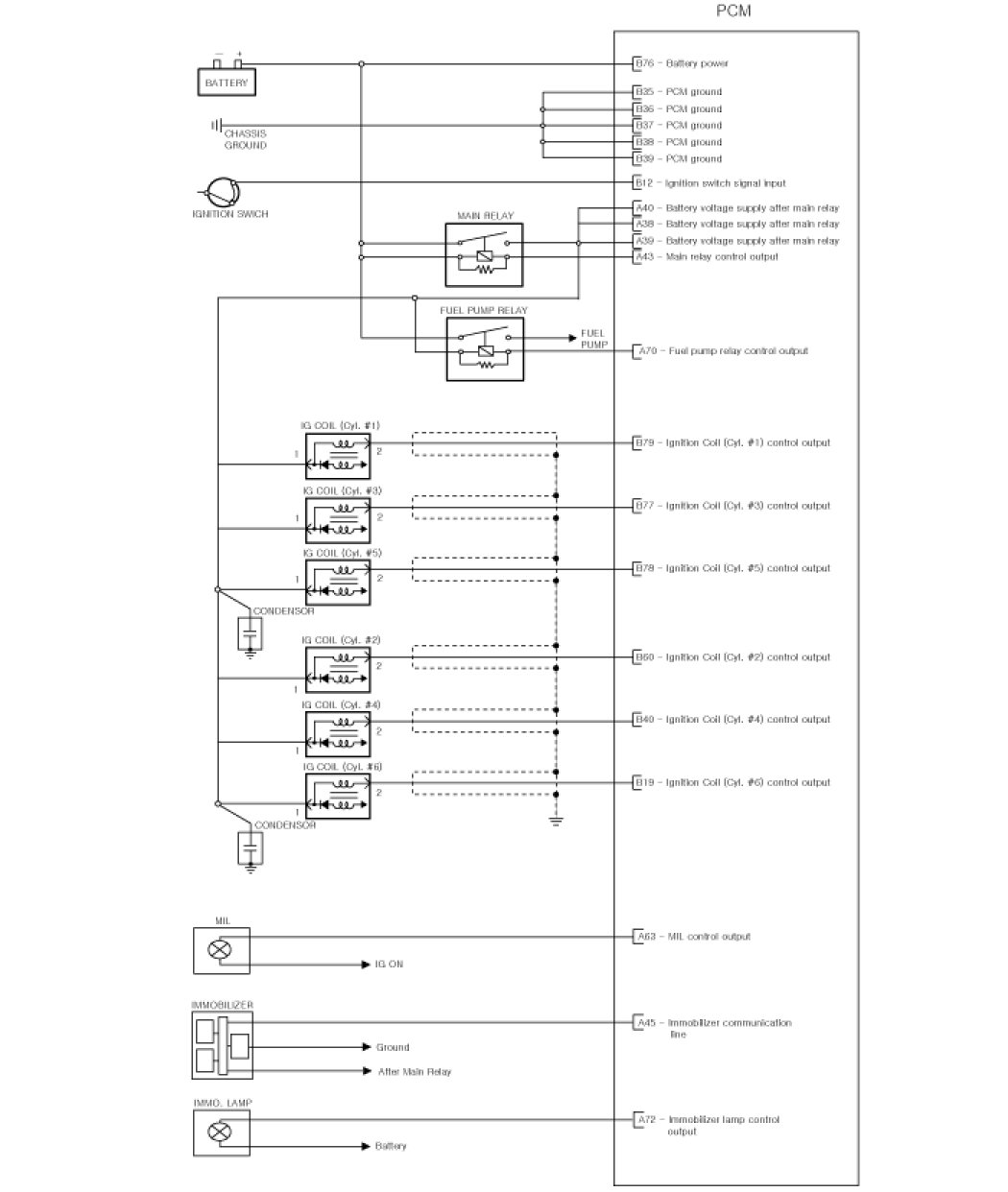
Engine Control Module





Circuit Diagram