lemon-mirror:
Home >> Hyundai >> 2009 >> Santa Fe FWD V6-2.7L >> Repair and Diagnosis >> Powertrain Management >> Computers and Control Systems >> Engine Control Module >> Diagrams >> Electrical Diagrams

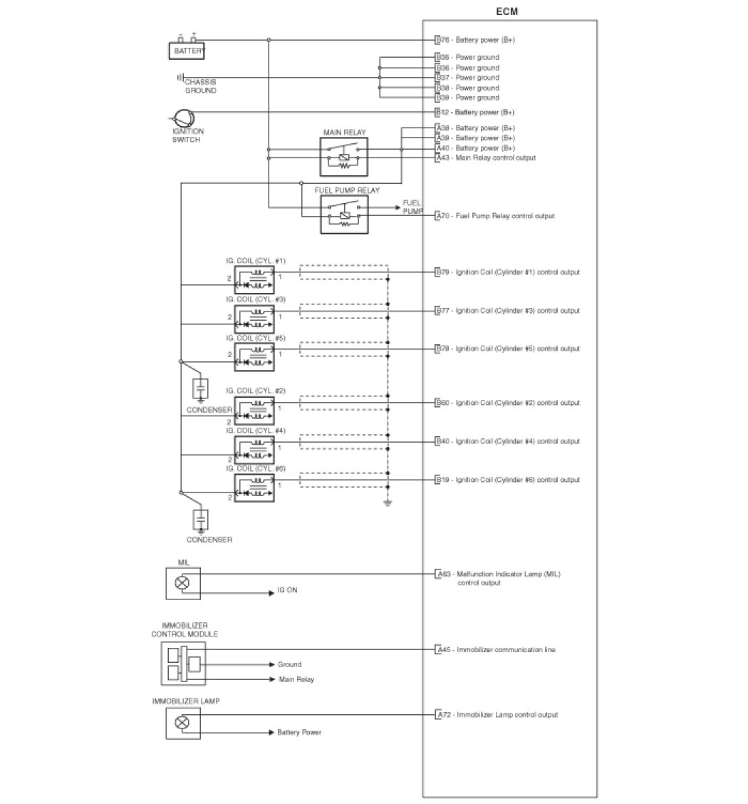
Electrical Diagrams





Circuit Diagram