lemon-mirror:
Home >> Hyundai >> 2009 >> Santa Fe FWD V6-2.7L >> Repair and Diagnosis >> Diagrams >> Exploded Views >> Alternator

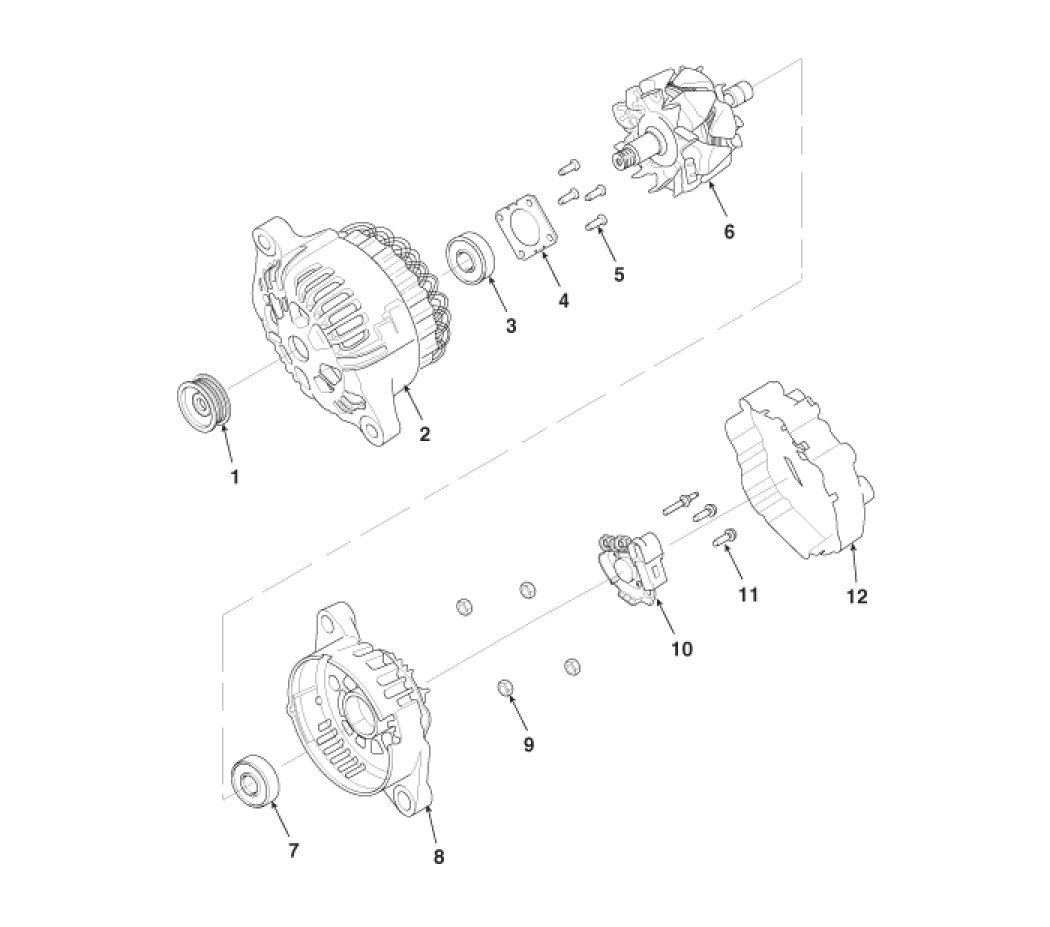
Alternator





Components