lemon-mirror:
Home >> Hyundai >> 2009 >> Entourage V6-3.8L >> Repair and Diagnosis >> Diagrams >> Exploded Views >> Alternator

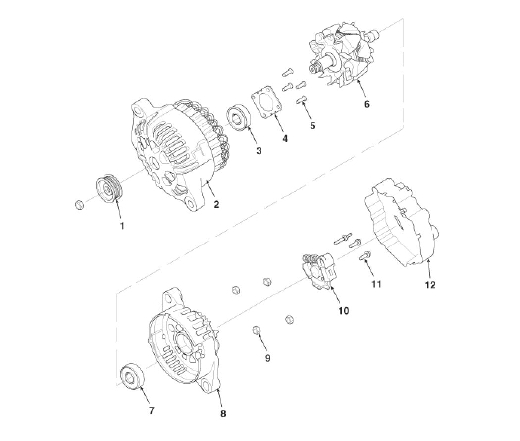
Alternator





Component