lemon-mirror:
Home >> Hyundai >> 2009 >> Entourage V6-3.8L >> Repair and Diagnosis >> Diagrams >> Electrical Diagrams >> Powertrain Management >> Computers and Control Systems >> Engine Control Module

Engine Control Module





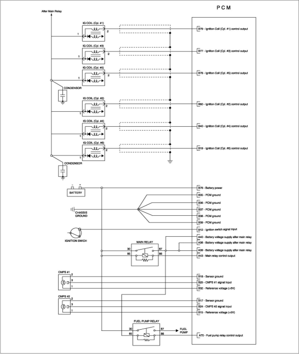
Powertrain Control Module (PCM)

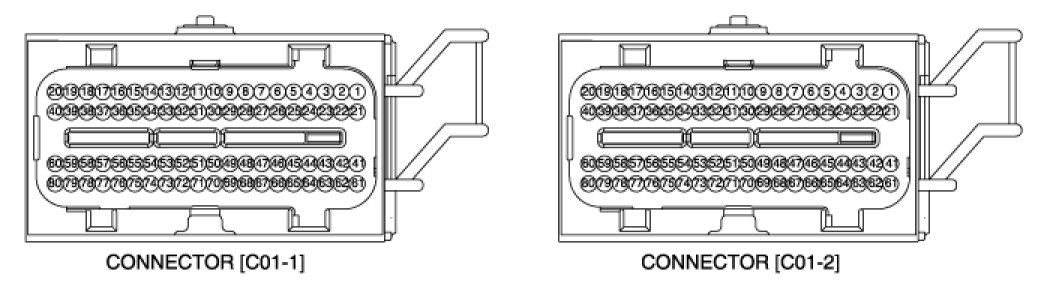
1. PCM HARNESS CONNECTOR




2. PCM TERMINAL FUNCTION
Connector [C01-1]









Connector [C01-2]









3. PCM TERMINAL INPUT/OUTPUT SIGNAL
Connector [C01-1]













Connector [C01-2]


















Circuit Diagram