lemon-mirror:
Home >> Hyundai >> 2009 >> Entourage V6-3.8L >> Repair and Diagnosis >> Diagrams >> Electrical Diagrams >> Powertrain Management >> Computers and Control Systems >> Body Control Module >> Power Tail Gate Module

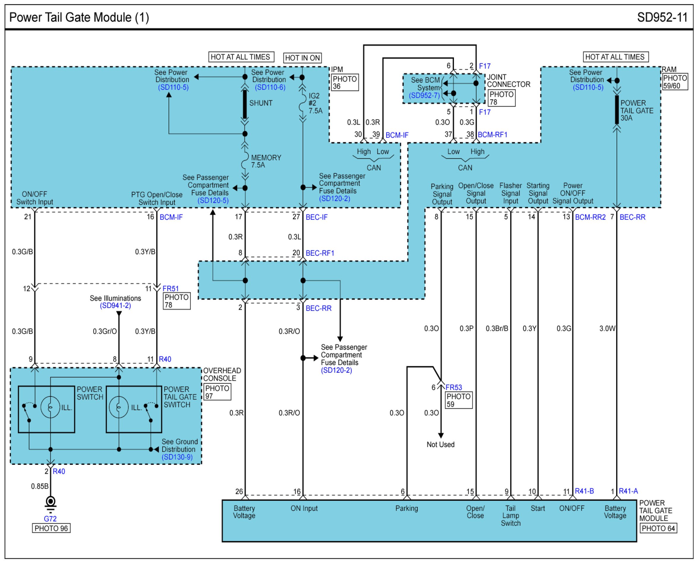
Power Tail Gate Module

Power Tail Gate Module (1):




Power Tail Gate Module (2):




Power Tail Gate Module Connector Pin Outs:






Locations: Location photographs (references to PHOTOS) referred to within these diagrams can be found via the photo number at the vehicle level under Locations by Photo Number. Component Locations

Connector Views: The Connector Pin Out Views for connectors shown on these diagrams can be found on the Connector Pin Out images that follow most sets of system diagrams.