lemon-mirror:
Home >> Hyundai >> 2009 >> Elantra L4-2.0L >> Repair and Diagnosis >> Specifications >> Mechanical Specifications >> Engine >> Timing Components >> Timing Belt

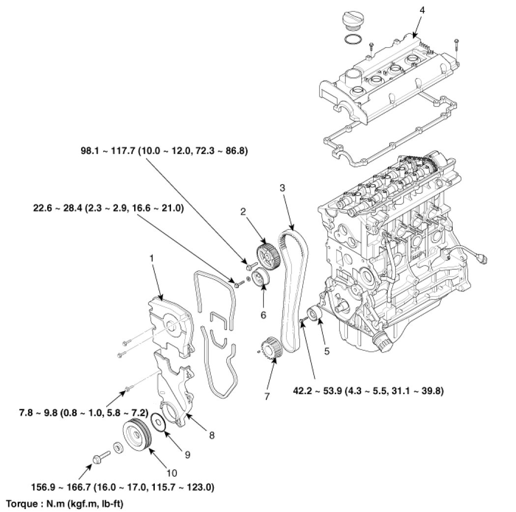
Timing Belt





Components