lemon-mirror:
Home >> Hyundai >> 2009 >> Azera V6-3.3L >> Repair and Diagnosis >> Specifications >> Mechanical Specifications >> Engine >> System Specifications >> Cylinder Head

Cylinder Head





NOTE: Head Bolts are reusable.

Cylinder Head

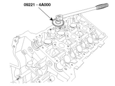
Using SST(09221-4A000), install and tighten the cylinder head bolts and plate washers, in several passes, in the sequence shown.

Tightening torque

1st step 37.3 - 41.2 Nm(3.8 - 4.2 kgf.m, 27.5 - 30.4 lb-ft)
2nd step 120°±2°
3rd step 90°±2°
18.62 - 23.52 Nm(1.9 - 2.4 kgf.m, 13.74 - 17.36 lb-ft)(A)

NOTE: Always use new cylinder head bolts.