lemon-mirror:
Home >> Hyundai >> 2009 >> Azera V6-3.3L >> Repair and Diagnosis >> Diagrams >> Exploded Views >> Steering Gear

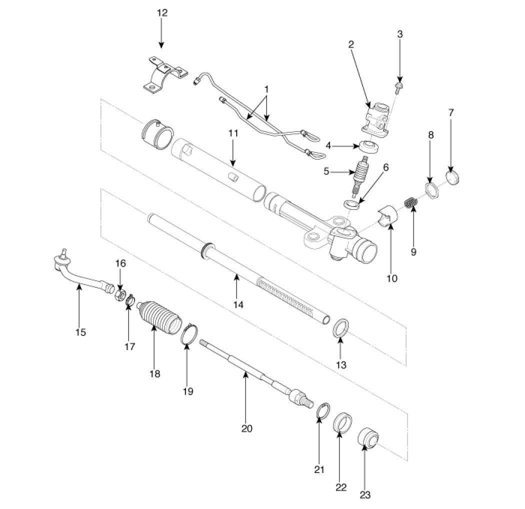
Steering Gear





Components