lemon-mirror:
Home >> Hyundai >> 2008 >> Tucson FWD V6-2.7L >> Repair and Diagnosis >> Maintenance >> Fluids >> Engine Oil >> Service and Repair

Engine Oil: Service and Repair

LUBRICATION SYSTEM

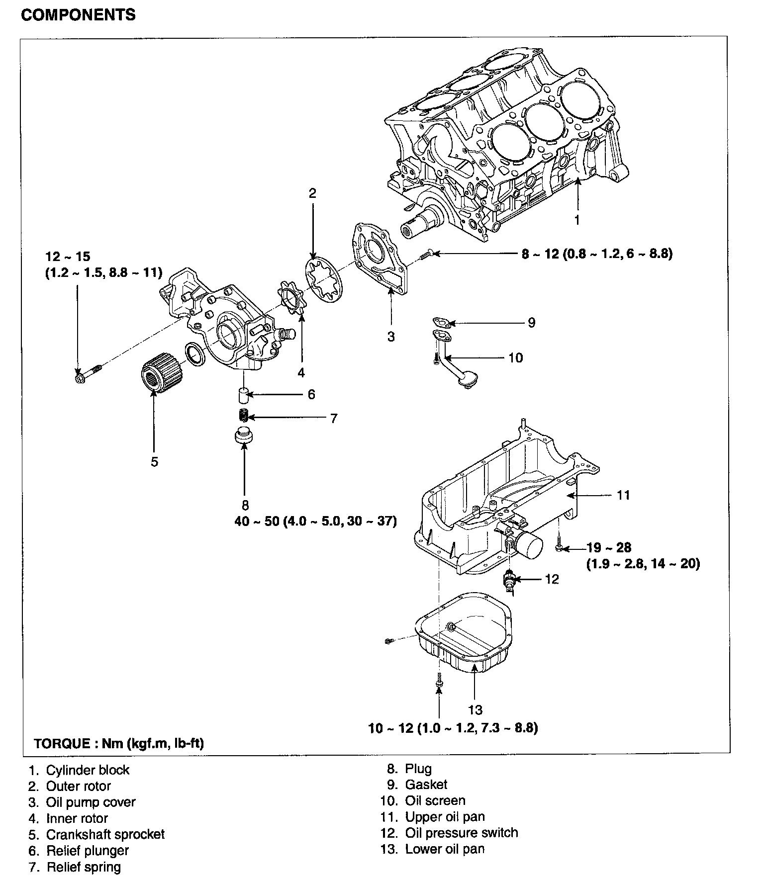
COMPONENTS





ENGINE OIL AND FILTER REPLACEMENT

CAUTION
^ Prolonged and repeated contact with mineral oil will result in the removal of natural fats from the skin, leading to dryness, irritation and dermatitis. In addition, used engine oil contains potentially harmful contaminants which may cause skin cancer.
^ Exercise caution in order to minimize the length and frequency of contact of your skin to used oil. Wear protective clothing and gloves. Wash your skin thoroughly with soap and water, or use water-less hand cleaner, to remove any used engine oil. Do not use gasoline, thinners, or solvents.
^ In order to preserve the environment, used oil and used oil filter must be disposed of only at designated disposal sites.


1. Drain engine oil.
a. Remove the oil filler cap.
b. Remove the oil drain plug(A), and drain the oil into a container.





2. Replace oil filter.
a. Remove the oil filter(B).
b. Check and clean the oil filter installation surface.
c. Check the part number of the new oil filter is as same as old one.
d. Apply clean engine oil to the gasket of a new oil filter.
e. Lightly screw the oil filter into place, and tighten it until the gasket contacts the seat.
f. Tighten it an additional 3/4 turn.
3. Refill with engine oil filter.
^ Clean and install the oil drain plug with a new gasket.
Tightening torque
35 - 45Nm (3.5 - 4.5kgf-m, 26 - 33lb-ft)
^ Fill with fresh engine oil
Capacity
Total: 4.8L (5.07 US qts, 4.22 Imp qts)
Oil pan: 4.2 L (4.44 US qts, 3.70 Imp qts)
Drain and refill including oil filter
4.5 L (4.76 US qts, 3.96 Imp qts)
Oil quality: Above API SJ/SL or SAE 5W-20
^ Install the oil filler cap.
4. Start engine and check for oil leaks.
5. Recheck engine oil level.

INSPECTION
1. Check engine oil quality
Check the oil for deterioration, entry of water, discoloring or thinning.
If the quality is visibly poor, replace the oil.
2. Check engine oil level.
After warming up the engine and then 5 minutes after the engine stop, oil level should be between the L" and " F" marks on the dipstick.
If low, check for leakage and add oil up to the F" mark.

NOTE
Do not fill with engine oil above the "F" mark.

SELECTION OF ENGINE OIL
Recommended SAE classification: GF-3 OR ABOVE
Recommended API classification: SL(SJ) OR ABOVE

RECOMMENDED SAE VISCOSITY GRADES:





NOTE
For best performance and maximum protection of all types of operation, select only those lubricants which

1. Satisfy the requirement of the API classification.
2. Have proper SAE grade number for expected ambient temperature range.
3. Lubricants that do not have both an SAE grade number and API service classification on the container should not be used.