lemon-mirror:
Home >> Hyundai >> 2008 >> Tiburon V6-2.7L >> Repair and Diagnosis >> Diagrams >> Exploded Views >> Alternator

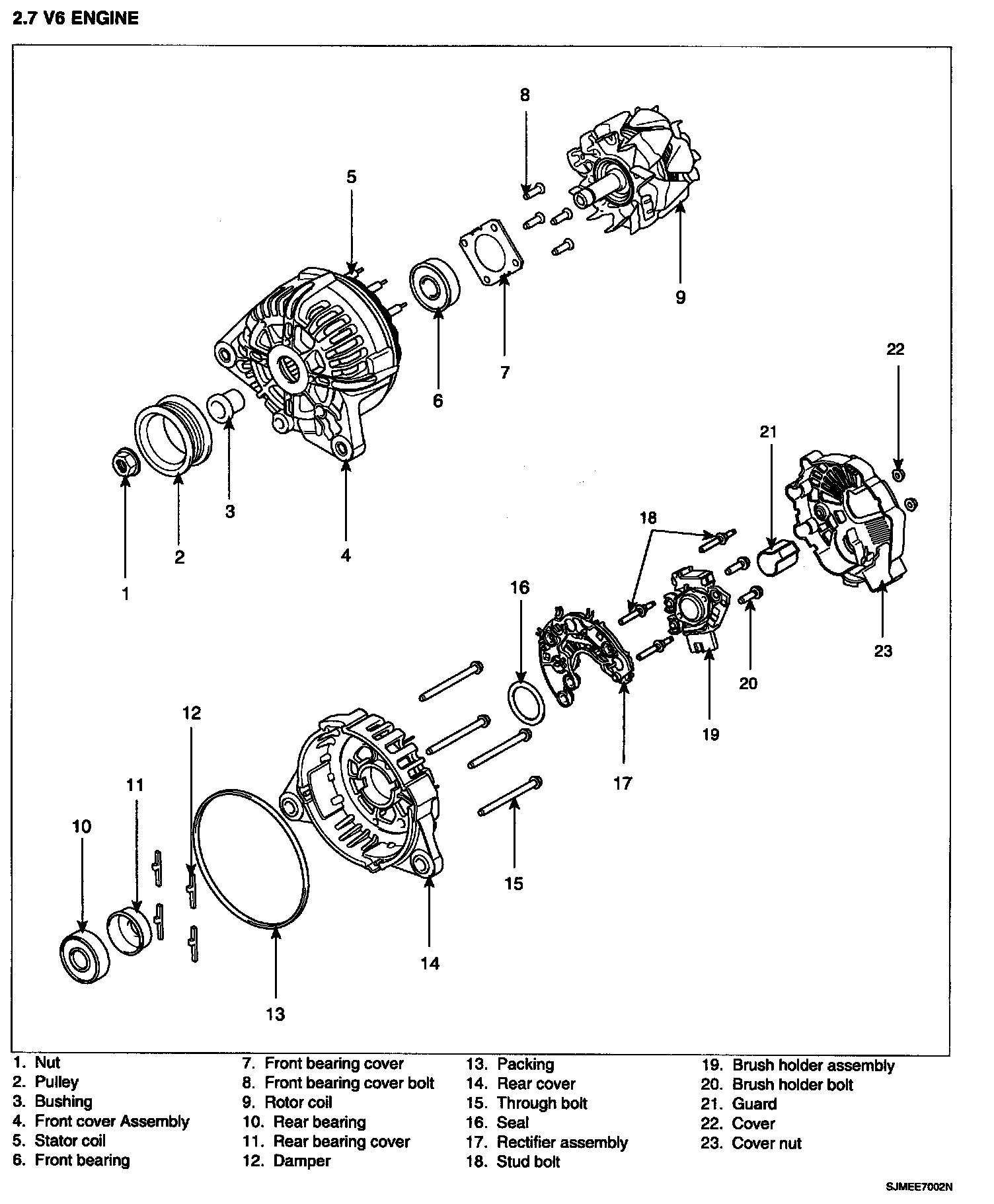
Alternator

Alternator - Components: