lemon-mirror:
Home >> Hyundai >> 2008 >> Entourage V6-3.8L >> Repair and Diagnosis >> Powertrain Management >> Computers and Control Systems >> Fuel Level Sensor >> Locations >> Fuel Delivery System

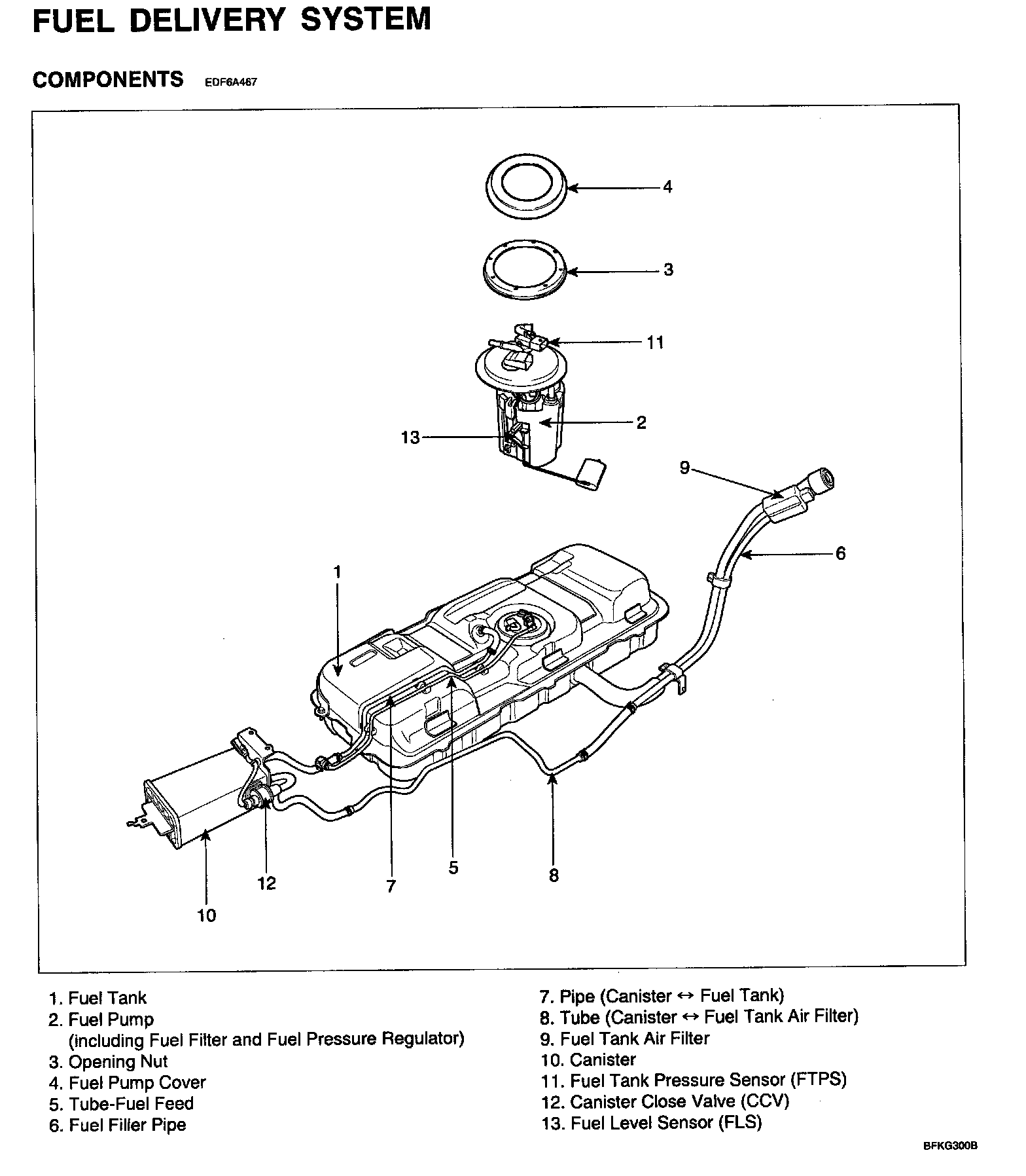
Fuel Delivery System

Fuel Delivery System Components: