lemon-mirror:
Home >> Hyundai >> 2008 >> Azera V6-3.3L >> Repair and Diagnosis >> Power and Ground Distribution >> Relay Box >> Service and Repair

Relay Box: Service and Repair

RELAY BOX (PASSENGER COMPARTMENT)

REPLACEMENT
1. Disconnect the negative (-) battery terminal.
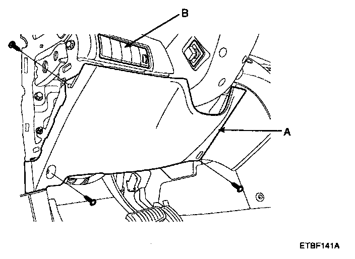
2. Remove the crash pad lower panel (A) and switch (B).






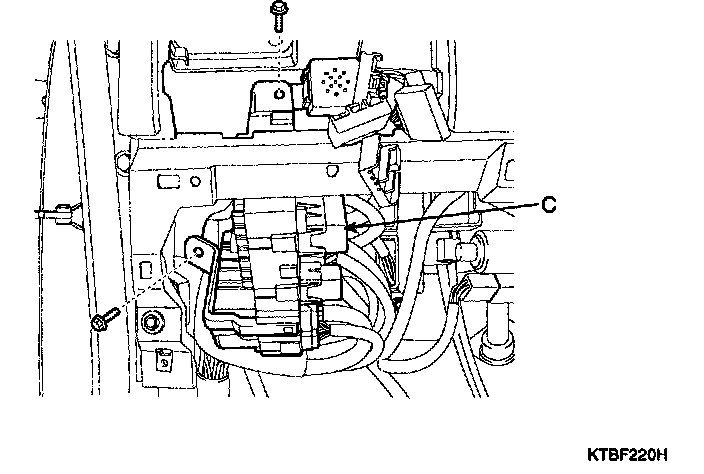
3. Disconnect the connectors (10 EA) of junction box.
4. Remove the junction box (C) after loosening the mounting 2 bolts.






5. Installation is the reverse of removal.