lemon-mirror:
Home >> Hyundai >> 2008 >> Azera V6-3.3L >> Repair and Diagnosis >> Diagrams >> Exploded Views >> Housing Assembly HVAC

Housing Assembly HVAC

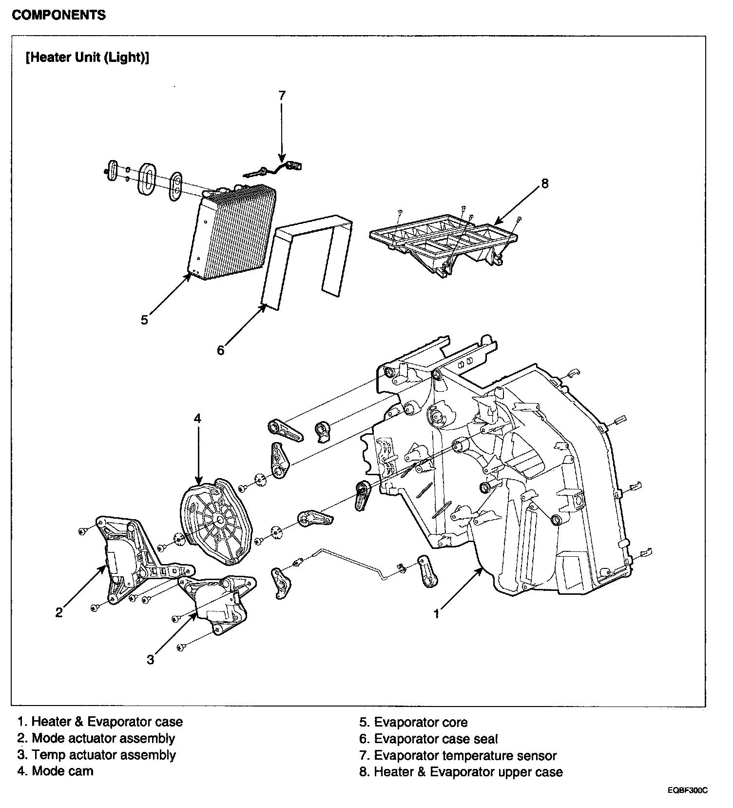
Heater Unit (Light) - Components:



Heater Unit (Left) - Components: