lemon-mirror:
Home >> Hyundai >> 2008 >> Azera V6-3.3L >> Repair and Diagnosis >> Diagrams >> Exploded Views >> Blower Motor

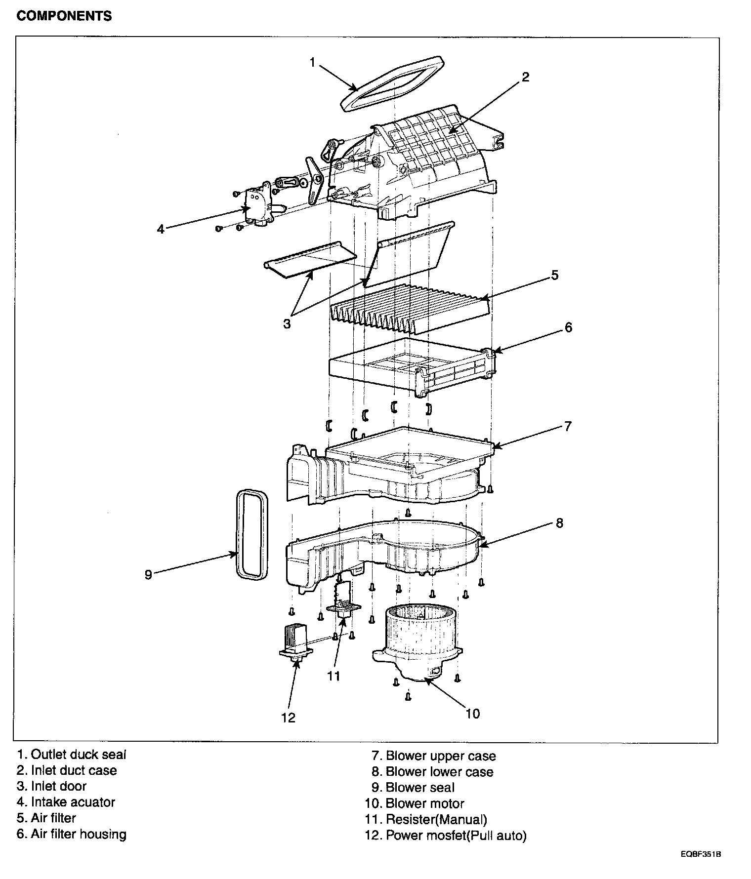
Blower Motor

Blower Unit - Components: