lemon-mirror:
Home >> Hyundai >> 2007 >> Veracruz FWD V6-3.8L >> Repair and Diagnosis >> Diagrams >> Exploded Views >> Ignition System

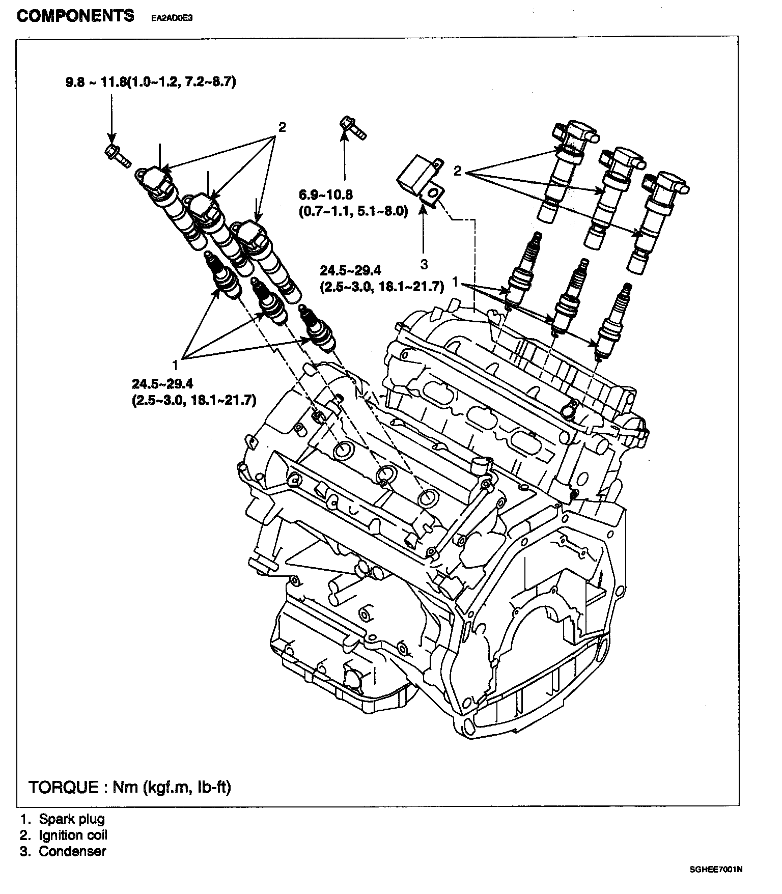
Ignition System

Ignition System Components: