lemon-mirror:
Home >> Hyundai >> 2007 >> Santa Fe FWD V6-3.3L >> Repair and Diagnosis >> Diagrams >> Exploded Views >> Battery

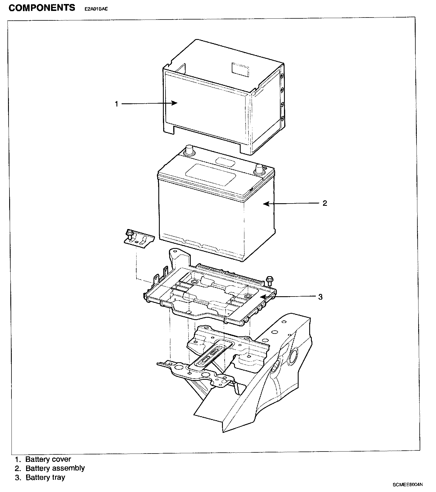
Battery

Battery - Components: