lemon-mirror:
Home >> Hyundai >> 2007 >> Santa Fe FWD V6-2.7L >> Repair and Diagnosis >> Diagrams >> Exploded Views >> Ignition System

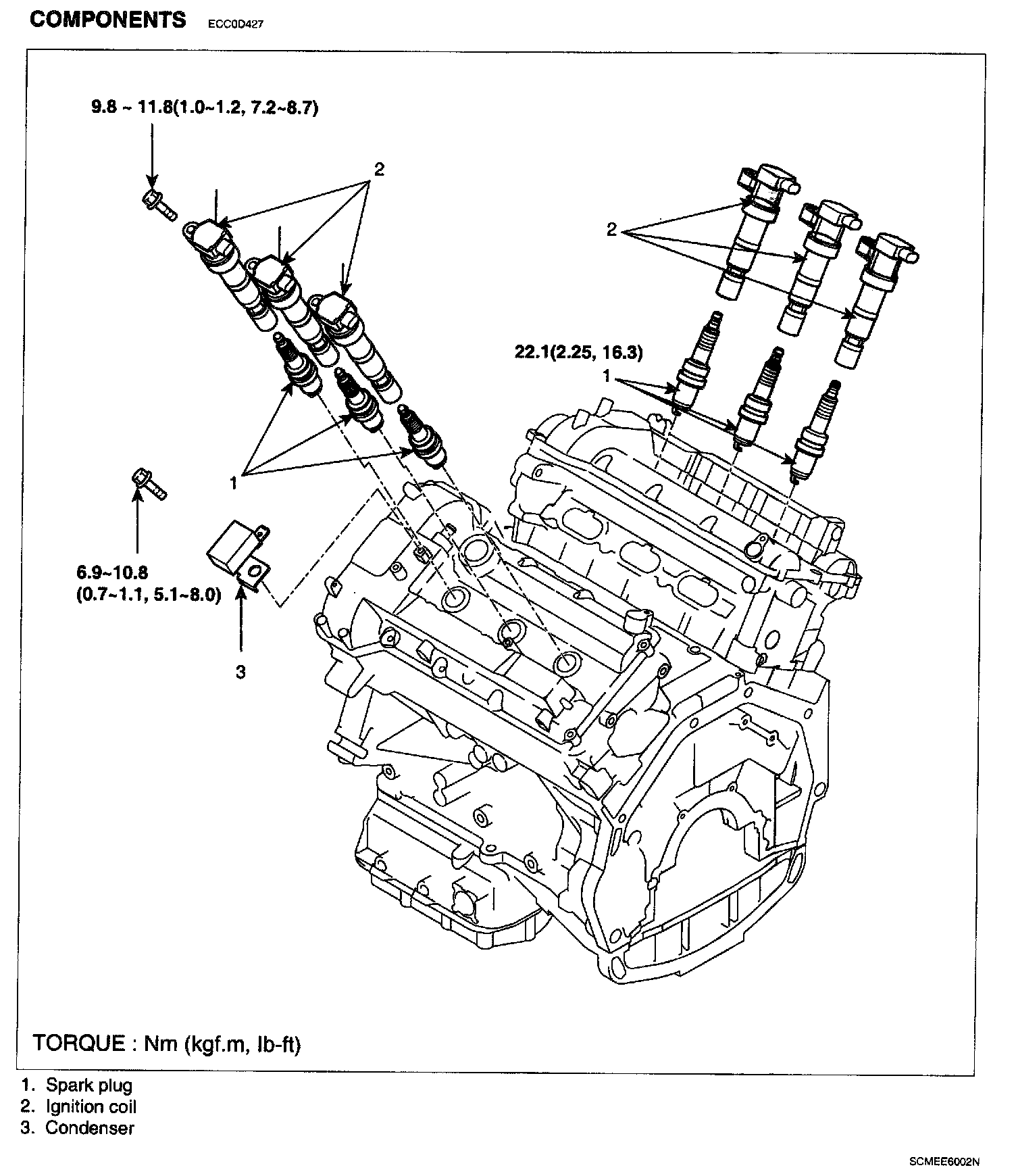
Ignition System

Ignition System Components: