lemon-mirror:
Home >> Hyundai >> 2007 >> Entourage V6-3.8L >> Repair and Diagnosis >> Powertrain Management >> Computers and Control Systems >> Fuel Level Sensor >> Locations

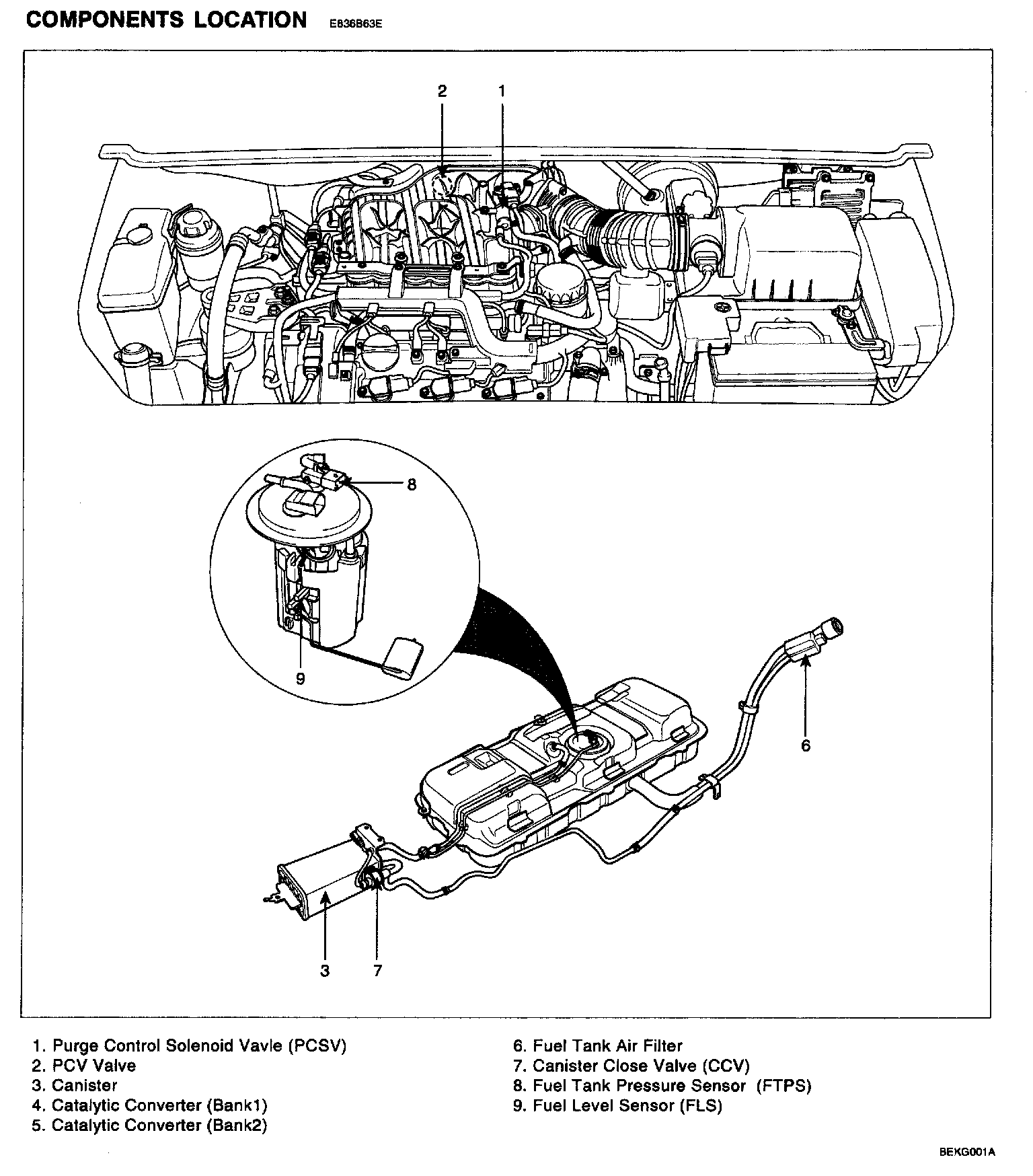
Fuel Level Sensor: Locations

Fuel Delivery System Components:



Emission Control System Components Location:



Gasoline Engine Control System Component Location: