lemon-mirror:
Home >> Hyundai >> 2007 >> Entourage V6-3.8L >> Repair and Diagnosis >> Body and Frame >> Seats >> Seat Temperature Control Module >> Service and Repair

Seat Temperature Control Module: Service and Repair

SEAT WARMER MODULE

Replacement
1. Disconnect the negative (-) battery terminal.




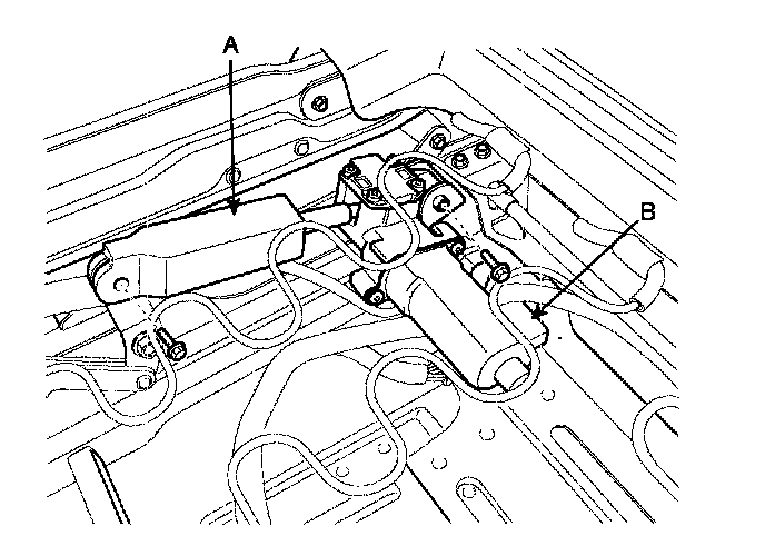
2. Remove the seat cushion (A)




3. Remove the seat heater module (B) after removing seat heater module mounting screw (2EA) and connector from rear height motor (A).
4. Installation is the reverse of removal.