lemon-mirror:
Home >> Hyundai >> 2007 >> Elantra L4-2.0L >> Repair and Diagnosis >> Powertrain Management >> Computers and Control Systems >> Fuel Level Sensor >> Locations >> Fuel Delivery System Components

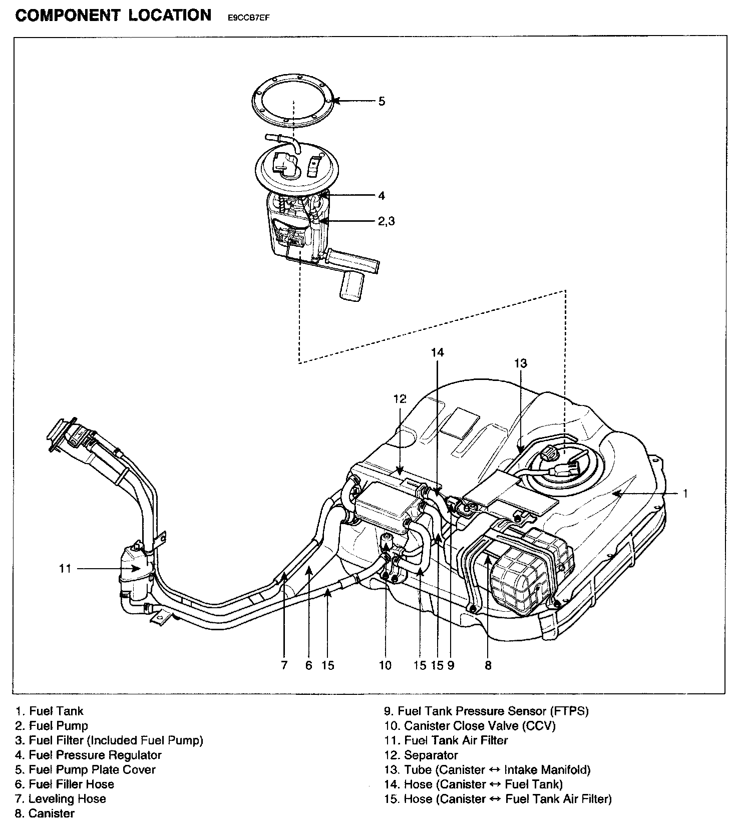
Fuel Delivery System Components

Fuel Delivery System - Component Location: