lemon-mirror:
Home >> Hyundai >> 2007 >> Elantra L4-2.0L >> Repair and Diagnosis >> Maintenance >> Fluids >> Engine Oil >> Service and Repair

Engine Oil: Service and Repair

OIL AND FILTER

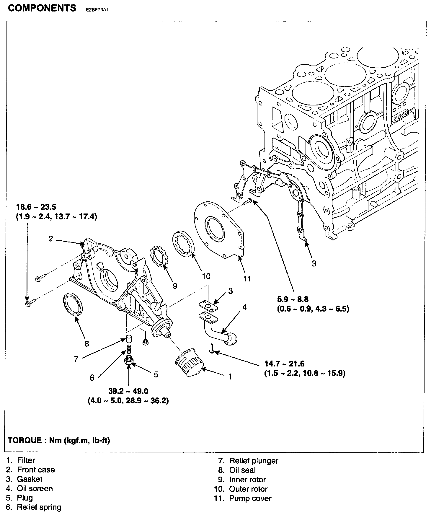
COMPONENTS:





CAUTION:
- Prolonged and repeated contact with mineral oil will result in the removal of natural fats from the skin, leading to dryness, irritation and dermatitis. In addition, used engine oil contains potentially harmful contaminants which may cause skin cancer
- Exercise caution in order to minimize the length and frequency of contact of your skin to used oil. Wear protective clothing and gloves. Wash your skin thoroughly with soap and water, or use water-less hand cleaner, to remove any used engine oil. Do not use gasoline, thinner, or solvents.
- In order to preserve the environment, used oil and used oil filter must be disposed of only at designated disposal sites.


1. Drain engine oil.
a. Remove the oil filter cap.
b. Remove the oil drain plug, and drain the oil into a container.
2. Replace oil filter.
a. Remove the oil filter.
b. Check and clean the oil filter installation surface.
c. Check the part number of the new oil filter is as same as old one.
d. Apply clean engine oil to the gasket of a new oil filter.
e. Lightly screw the oil filter into place, and tighten it until the gasket contacts the seat.
f. Tighten it an additional 3/4 turn.
3. Refill with engine oil filter.
a. Clean and install the oil drain plug with a new gasket.
Torque: 39.2 - 44.1 N.m (4.0 - 4.5 kgf.m, 28.9 - 32.5 lb-ft)
b. Fill with fresh engine oil
Capacity
Drain and refill: 4.0 L (4.23 US qts, 3.52 Imp qts)
Oil filter: 0.3 L (0.32 US qts, 0.26 Imp qts)
c. Install the oil filter cap.
4. Start engine and check for oil leaks.
5. Recheck engine oil level.

SELECTION OF ENGINE OIL

Recommended API classification: Above SJ or SL
Recommended SAE viscosity grades:





*1 If 5W-20 / GF3 engine oil is not available, 5W-30/GF3 or secondary recommended engine oil for corresponding temperature range can be used.

NOTE: For best performance and maximum protection of all types of operation, select only those lubricants which

1. Satisfy the requirement of the API classification.
2. Have proper SAE grade number for expected ambient temperature range.
Lubricants that do not have both an SAE grade! number and API service classification on the container should not be used.