lemon-mirror:
Home >> Hyundai >> 2007 >> Elantra L4-2.0L >> Repair and Diagnosis >> Diagrams >> Exploded Views >> Starter Motor

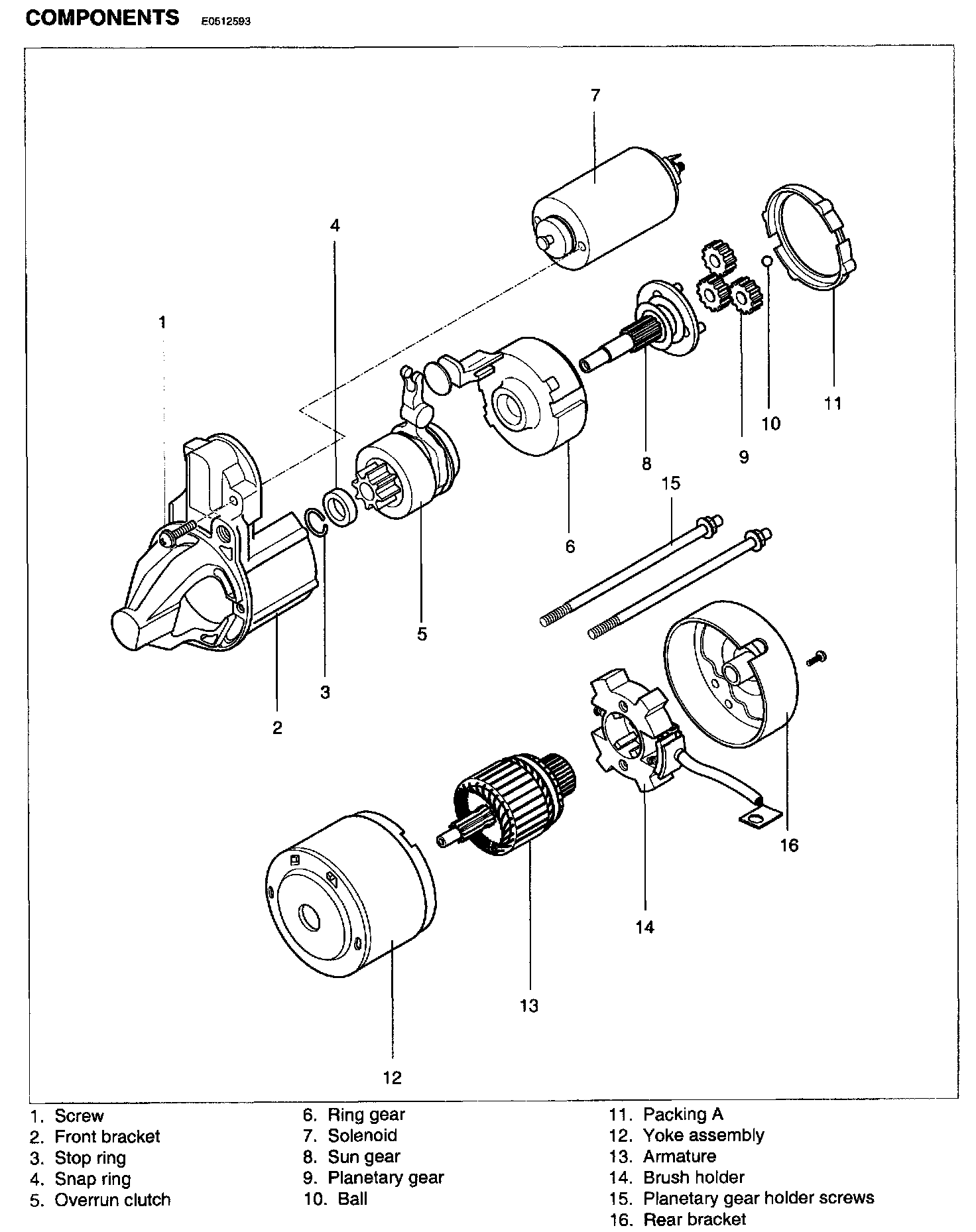
Starter Motor

Starter Components: