lemon-mirror:
Home >> Hyundai >> 2007 >> Azera V6-3.3L >> Repair and Diagnosis >> Powertrain Management >> Computers and Control Systems >> Fuel Level Sensor >> Locations >> Emissions Control System Components

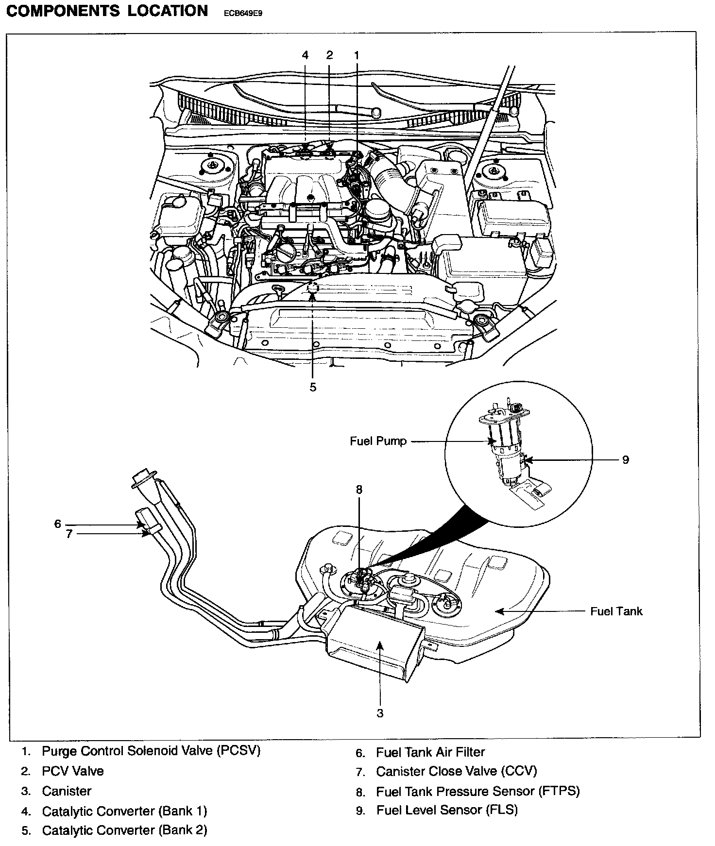
Emissions Control System Components

Component Location: