lemon-mirror:
Home >> Hyundai >> 2006 >> Tucson L4-2.0L >> Repair and Diagnosis >> Powertrain Management >> Computers and Control Systems >> Fuel Level Sensor >> Locations >> Fuel Delivery System

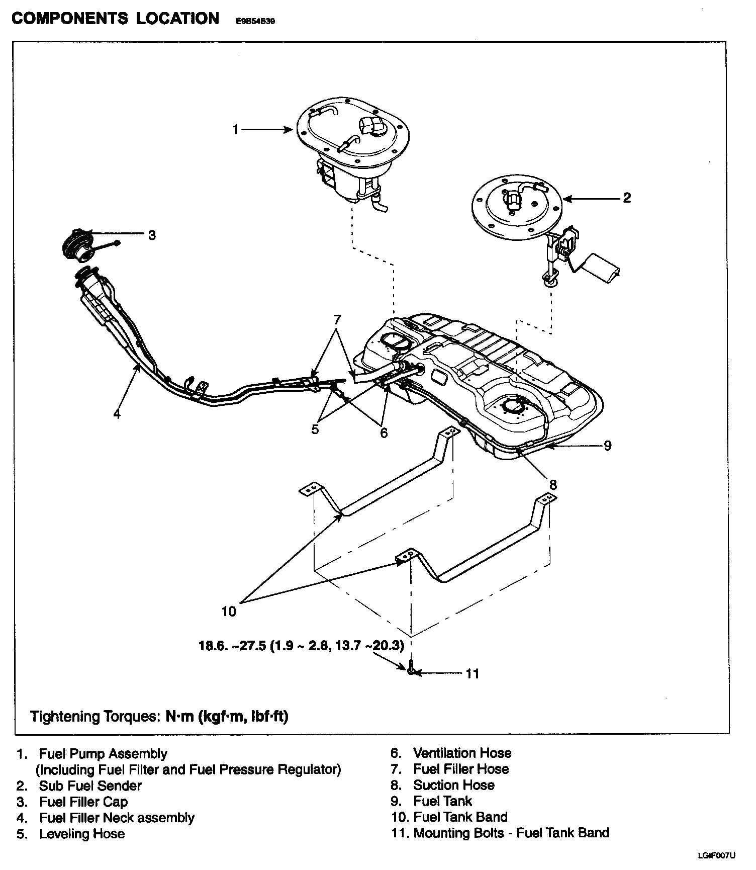
Fuel Delivery System

Components Location: