lemon-mirror:
Home >> Hyundai >> 2006 >> Tucson L4-2.0L >> Repair and Diagnosis >> Diagrams >> Exploded Views >> Control Assembly, HVAC >> Manual Temperature Control

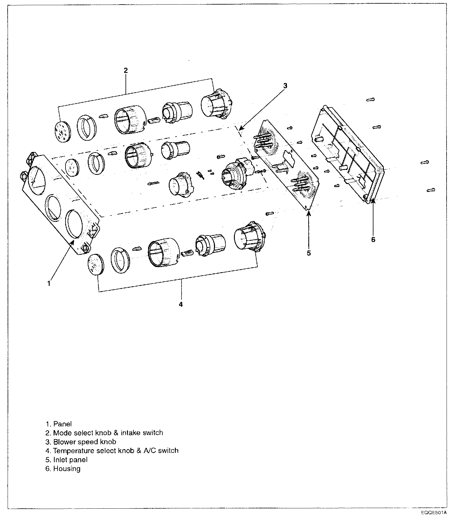
Manual Temperature Control

Control Panel Components: