lemon-mirror:
Home >> Hyundai >> 2006 >> Tiburon L4-2.0L >> Repair and Diagnosis >> Diagrams >> Exploded Views >> Heater Core Case

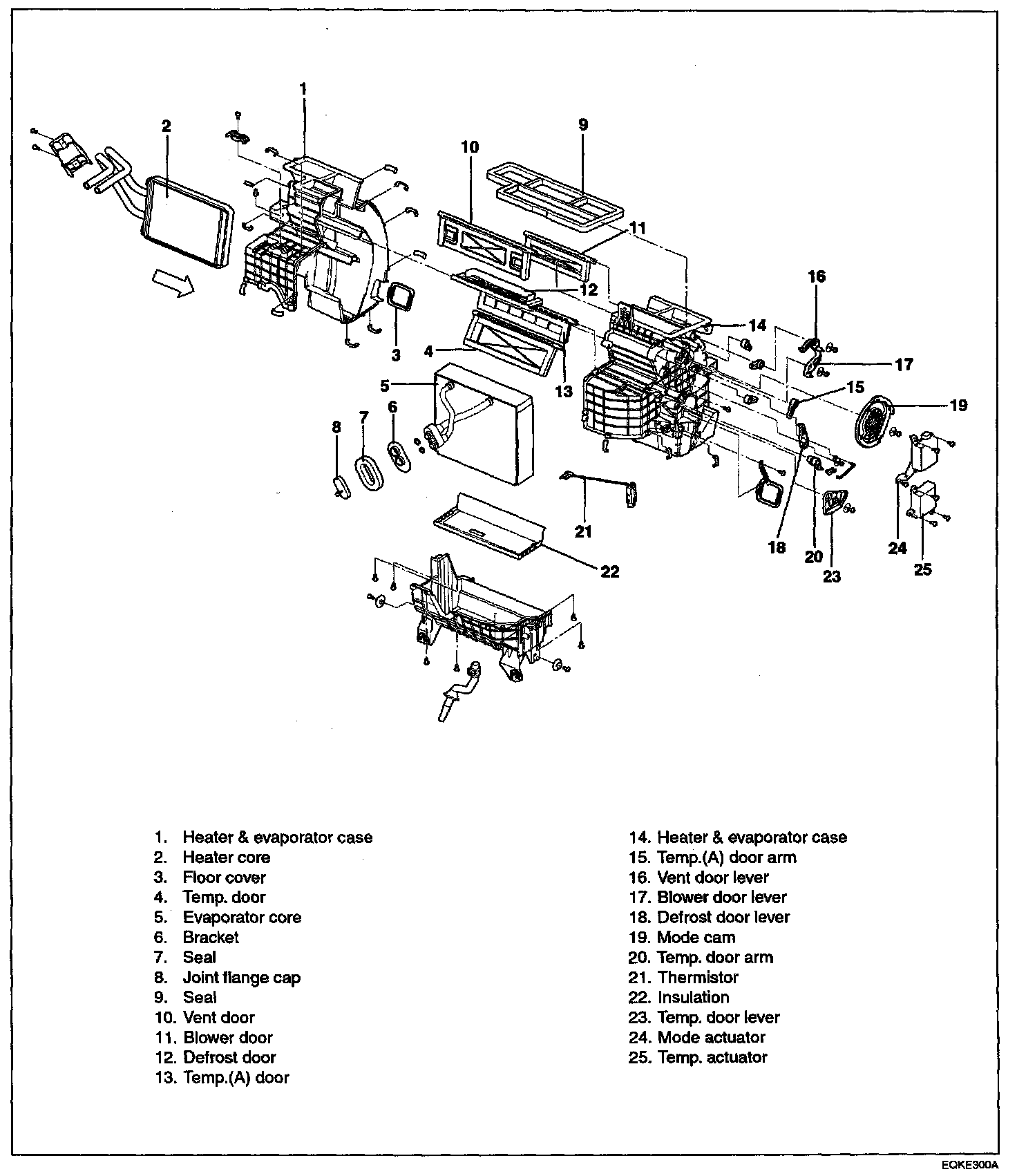
Heater Core Case

Heater Unit: