lemon-mirror:
Home >> Hyundai >> 2006 >> Santa Fe V6-2.7L >> Repair and Diagnosis >> Diagrams >> Electrical Diagrams >> Powertrain Management >> Computers and Control Systems >> Body Control Module

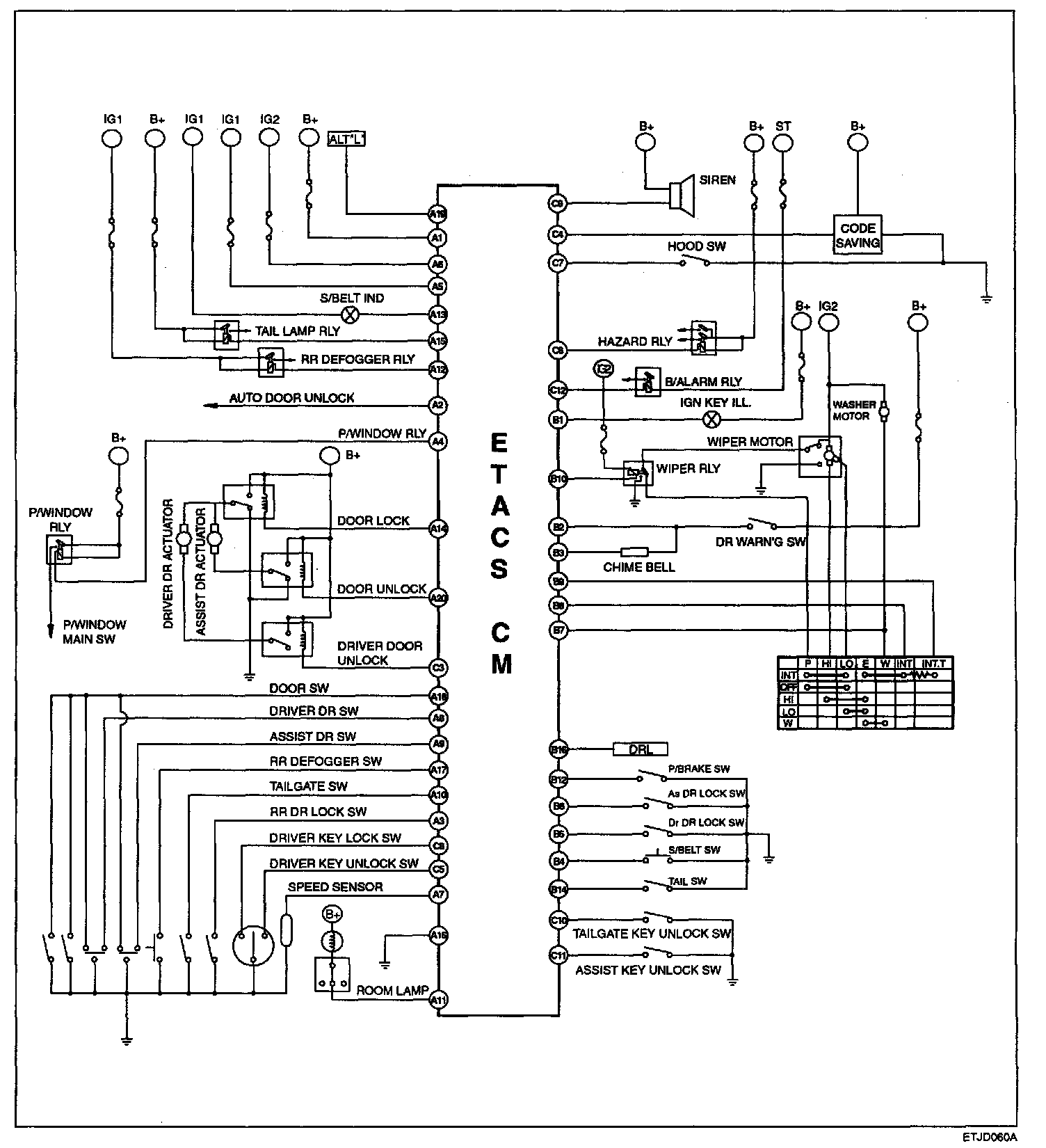
Body Control Module

Circuit Diagram: