lemon-mirror:
Home >> Hyundai >> 2006 >> Santa Fe L4-2.4L >> Repair and Diagnosis >> Diagrams >> Exploded Views >> Compressor HVAC

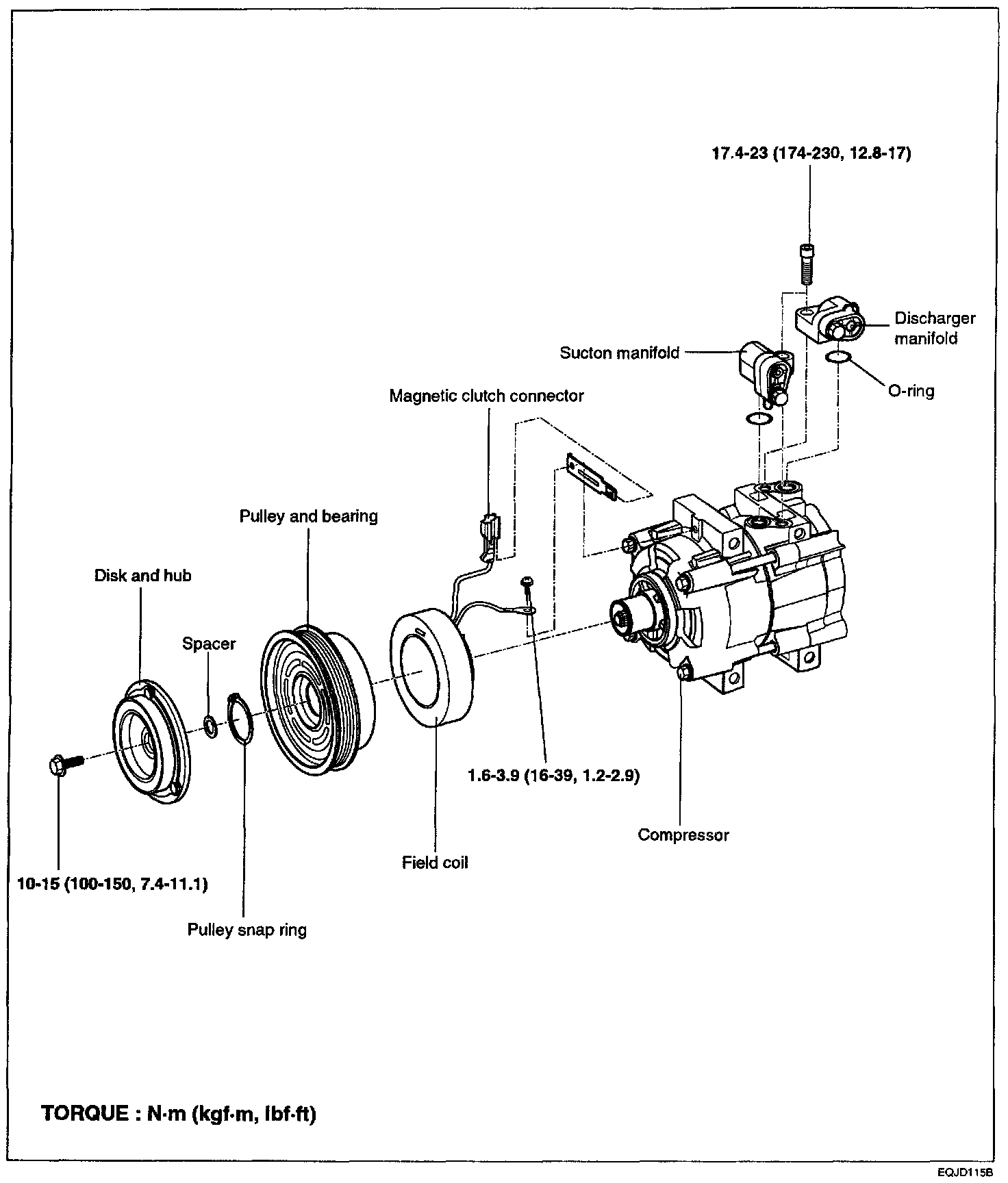
Compressor HVAC

Components: