lemon-mirror:
Home >> Hyundai >> 2006 >> Elantra L4-2.0L >> Repair and Diagnosis >> Powertrain Management >> Computers and Control Systems >> Transmission Position Sensor/Switch >> Service and Repair

Transmission Position Sensor/Switch: Service and Repair

TRANSAXLE RANGE (TR) SWITCH

REMOVAL
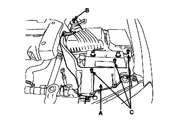
1. Remove the battery terminal.





2. Remove the heat shield (A) (Bolt: 1 EA (B), Retainer: 3EA (c).





3. Remove the battery and battery tray (A).





4. Disconnect the air flow sensor connector (A) and breather hose (B).





5. Removal of air cleaner and air intake hose.
a. Air cleaner upper cover (c) and air intake hose (D).





b. Air cleaner lower (A) (Bolt: 3EA (B)).





6. Remove the transaxle range switch connector (A).





7. Remove the control cable to transaxle range switch (A) mounting nut (B).





8. Remove the transaxle range switch manual lever mounting nut (A).





9. Remove the transaxle range switch (A).





INSTALLATION
Refer to transaxle range switch and control cable adjustment.