lemon-mirror:
Home >> Hyundai >> 2006 >> Elantra L4-2.0L >> Repair and Diagnosis >> Powertrain Management >> Computers and Control Systems >> Air Flow Meter/Sensor >> Locations

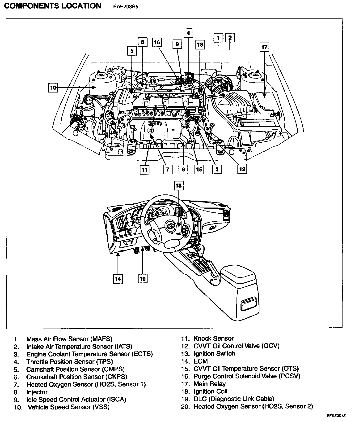
Air Flow Meter/Sensor: Locations

Photo 26:



Detail:



Engine View: