lemon-mirror:
Home >> Hyundai >> 2006 >> Elantra L4-2.0L >> Repair and Diagnosis >> Diagrams >> Exploded Views >> Intake Manifold

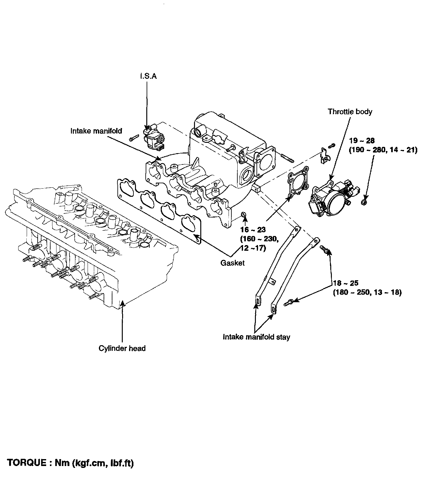
Intake Manifold





INTAKE MANIFOLD