lemon-mirror:
Home >> Hyundai >> 2006 >> Azera V6-3.8L >> Repair and Diagnosis >> Powertrain Management >> Emission Control Systems >> Locations >> Emissions Control System

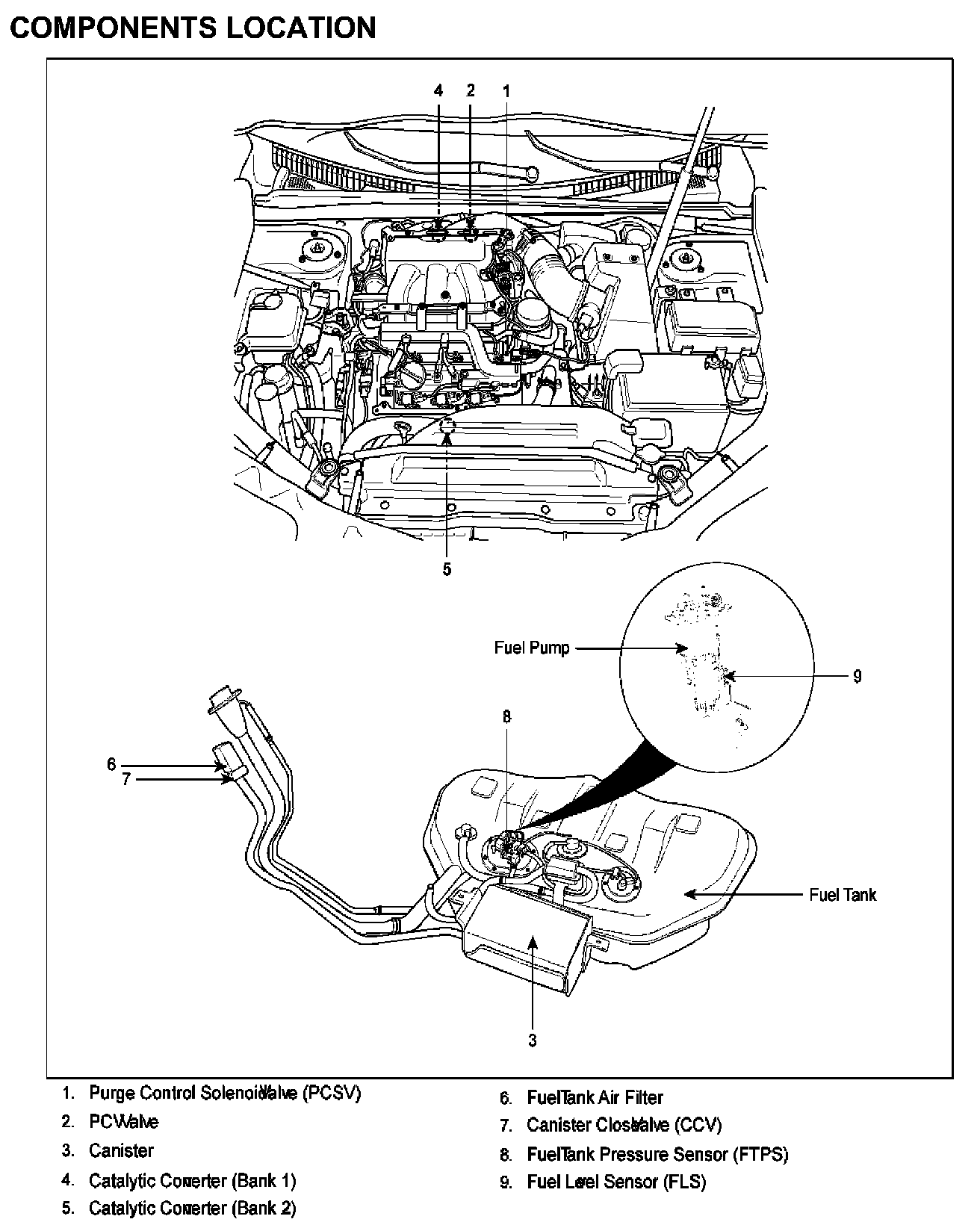
Emissions Control System

Emission Control Systems Components Location: