lemon-mirror:
Home >> Hyundai >> 2006 >> Accent L4-1.6L >> Repair and Diagnosis >> Powertrain Management >> Computers and Control Systems >> Fuel Level Sensor >> Locations

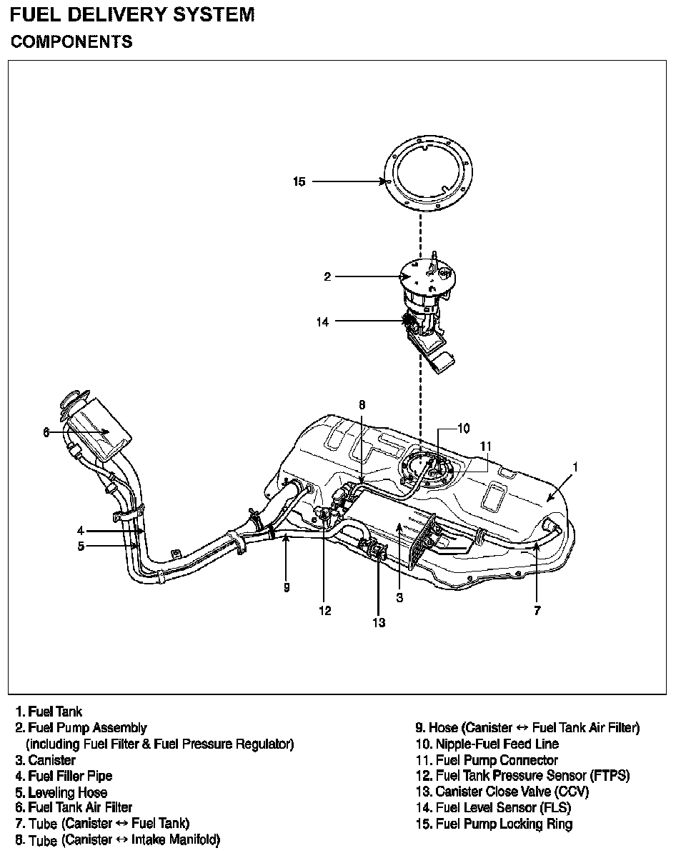
Fuel Level Sensor: Locations

Fuel Level Sensor:



Fuel Delivery System: