lemon-mirror:
Home >> Hyundai >> 2005 >> Tucson V6-2.7L >> Repair and Diagnosis >> Powertrain Management >> Tune-up and Engine Performance Checks >> Compression Check >> Testing and Inspection

Compression Check: Testing and Inspection

COMPRESSION

NOTE: If the there is lack of power, excessive oil consumption or poor fuel economy, measure the compression pressure.

1. Warm up and stop engine
Allow the engine to warm up to normal operating temperature.
2. Remove ignition coils.
3. Remove spark plugs.
Using a 16 mm plug wrench, remove the 6 spark plugs.
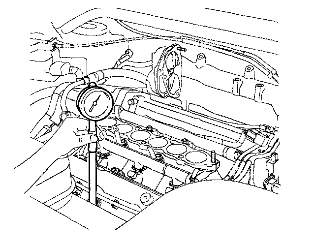
4. Check cylinder compression pressure





a. Insert a compression gauge into the spark plug hole.
b. While cranking the engine, measure the compression pressure.

NOTE: Always use a fully charged battery to obtain engine speed of 250 rpm or more.

c. Repeat steps (a) through (b) for each cylinder.

NOTE: This measurement must be done in as short a time as possible.

Compression pressure 1,420 kPa (14.5 kgf-cm2, 206 psi)
Minimum pressure: 1,270 kPa (13 kgf-cm2, 184 psi)
Difference between each cylinder 100 kPa (1.0 kgf-cm2, 15 psi) or less
d. If the cylinder compression in 1 or more cylinders is low, pour a small amount of engine oil into the cylinder through the spark plug hole and repeat steps (a) through (b) for cylinders with low compression.
^ If adding oil helps the compression, it is likely that the piston rings and/or cylinder bore are worn or damaged.
^ If pressure stays low, a valve may be sticking or seating is improper, or there may be leakage past the gasket.

5. Reinstall spark plugs.
6. Install ignition coils.